TRAQUA
- Rieke Platthaus
- Maria Włodarczyk
- Inès Margand
- Guillem Vázquez Rolduá
- Maximilian Salmi
- Bernardo Josué Correia Alves
Abstract
Glossary
| Abbreviation | Description |
|---|---|
| AI | Adequate intake |
| API | Application Programming Interface |
| CPU | Central processing unit |
| EMC | Electronic Medicines Compendium |
| EMDC | Emergency medical dispatch centre |
| EPS | European Project Semester |
| ERD | Entity-Relationship Diagram |
| EU | European Union |
| DFD | Data Flow Diagram |
| DNA | Desoxyribonucleic acid |
| GDPR | General Data Protection Regulation ( |
| GPU | Graphics processing unit |
| HPC | - High-Performance Computing |
| IoT | Internet of Things |
| ISEP | Instituto Superior de Engenharia do Porto |
| LCA | Life Cycle Assessment |
| LED | Light-Emitting Diode |
| LVD | Low Voltage Directive |
| mRNA | Messenger ribonucleic acid |
| PESTEL | Political-Economic-Social-Technological-Environmental/Ecological-Legal |
| PET | Polyethylene Terephthalat |
| RED | |
| RoHS | Restriction of Hazardous Substances |
| SDG | United Nations Sustainable Development Goals |
| SI | International System of Units |
| SWOT | Strengths-Weaknesses-Opportunities-Threats-Analysis |
| UN | United Nations |
| USB | Universal Serial Bus |
| UV-C | Ultraviolet-C |
| UML | Unified Modeling Language |
| TDS | Total Dissolved Solids |
Introduction
In recent years, technology has transformed ordinary household items into connected devices, a trend often referred to as the “smartification” of everyday objects. From thermostats, watches and lighting systems have become intelligent, these devices now collect data, analyse behavior, and make daily routines more efficient and personalized.
Our product, TRAQUA, is a smart water bottle which is a great example of this evolution. Beyond simply holding water, it actively analyzes the purity of the liquid and monitors the user’s hydration needs. By connecting to a companion app, the bottle provides real-time insights, reminders, and personalized recommendations to help users maintain optimal health. This integration of sensing technology, data collection, and mobile connectivity demonstrates how even a simple object like a water bottle can be transformed into a smart, health-focused device. With TRAQUA, users also gain assurance about the quality of their water. To achieve this, a filter is integrated, minerals are monitored via a TDS sensor, and both the filter and the water are purified. As a result, customers can be confident that their tap water is clean and enjoy greater flexibility.
The following report describes the development of the TRAQUA project.
Presentation
The TRAQUA team (Figure 1) consists of six students from diverse nationalities and academic backgrounds who have come together at ISEP to take part in the European Project Semester (Table 1).
| Name | Home country | Field of Study |
|---|---|---|
| Bernardo Alves | Portugal - Luxembourg | Information Technology |
| Maria Wlodarczyk | Poland | Business, Society & Technology |
| Guillem Vázquez Rolduà | Spain | Industrial Design & Product Development |
| Inès Margand | France | Packaging Engineering |
| Maximilian Salmi | Finland | Electrical & Automation Engineering |
| Rieke Platthaus | Germany | Environmental & Civil Engineering |
Motivation
As a team, we have chosen the European Project Semester because we believe this experience will enrich us both professionally and personally. Working in a multidisciplinary, international team provides us with the unique opportunity to collaborate with people from diverse cultures and academic backgrounds. A central goal for us is to forge international connections and to discover Europe and our respective home countries from entirely new perspectives. We deeply value interdisciplinarity at all levels, both geographically, through cultural exchange, and academically, by synergizing our various fields of expertise. This framework allows us to enhance our creativity and problem-solving skills while preparing ourselves for a global professional work environment.
The idea of developing a smart reusable bottle came about very quickly. It was important to us to create an item that would improve the everyday life of the user. The motivation came from health improvements as well as sustainability reasons. These are explained below.
The development of a smart, reusable water bottle directly addresses environmental concerns. By offering a durable, long-lasting alternative to single-use plastic bottles, the system encourages more sustainable behavior and reduces plastic waste. Users can rely on one high-quality product instead of repeatedly purchasing disposable bottles, contributing to a more eco-friendly lifestyle. Nevertheless, reusable bottles are already part of most people’s everyday lives. Using them saves not only plastic resources but also money, as users do not have to buy plastic bottles.
However, this raises the problem that often not enough attention is paid to the hygiene of the bottle and the quality of the water. At the same time, it is easy to lose track of how much you are drinking. A smart bottle addresses both issues.
The bottle focuses on supporting healthy hydration. By using microcontrollers, it can track the volume of water consumed and monitor the fill level in real time. This helps users ensure they drink enough throughout the day, an especially important factor for individuals with health conditions that require consistent fluid intake.
By linking microcontrollers to obtain values such as minerals, and organic residues, users can be sure of the quality of the water and drink without worry. The bottle therefore supports healthy hydration, while the quality assurance feature can remind users to clean the bottle regularly. People who are particularly dependent on regular water intake, such as those with diabetes or kidney disease, can track the amount they drink. At the same time, the smart bottle can be a helpful device for anyone who wants to stay hydrated and maintain an overview of their intake. To further strengthen motivation, the system can be connected to a user-friendly app that uses gamification elements to make hydration tracking intuitive. This playful approach helps users build lasting habits without effort.
Overall, the project aims to combine sustainability, health awareness, and smart technology into a practical everyday solution that users are motivated to adopt and continue using.
Objective
The purpose of this product is to measure the purity of tap water, as well as encouraging customers to keep themselves hydrated throughout the day. Our main objective is to adapt a smart bottle into the everyday life of people who are concerned about the cleanliness of the tap water at their home, or in a foreign environment. Our intended audience are people who care about their health and are willing to download an app, to track their daily water intake.
Objectives:
- Develop a smart water bottle that monitors tap water quality fast and reliably.
- Measure key water parameters Total Dissolved Solids (TDS), temperature, potential impurities etc.).
- Provide real-time feedback to ensure safe water consumption.
- Use UV-C light to clean water and bottle.
- Track daily water intake through a connected mobile application.
- Deliver personalized hydration goals based on user data.
- Use gamification features (challenges, streaks, rewards) to encourage consistent hydration habits.
- Design the product to be portable, simple, reliable, and easy to integrate into everyday life.
- Target health-conscious individuals concerned about water purity at home or in unfamiliar environments.
- Combine safety, technology, and behavioral motivation into one practical and user-friendly solution.
Problem
Staying hydrated is one of those things we all know we should do, but rarely manage to do well. It is not just about forgetting to drink enough water, it is about the reality that we have no idea if the water we’re carrying is actually good for us.
Right now, the market is split, and honestly, both sides are falling short:
- The Common Bottle: Most reusable bottles on the market are just fancy cups. They do not track your habits, and they definitely do not tell you if the water quality is compromised by poor mineral levels or contaminants. Many bottles become dirty very quikly.
- The Basic Trackers: There are bottles that log your daily intake, sure, but they are essentially one-trick ponies. They ignore the chemistry of the water entirely. They will tell you how much you drank, but not what you drank. There are bottles that clean itself and the water, but they do not mesure anything else.
- The Overpriced/Clunky Tech: Then you have the high-end solutions. Usually they are very expensive and focuse only on one topic. They promise the world but usually come with a price tag that feels more like an investment than a purchase, or they are saddled with buggy, unintuitive apps that make tracking feel like a part-time job.
The current smart bottle market is fragmented, and existing solutions fail to address the problem in a comprehensive and reliable way:
- Conventional Reusable Bottles: Most reusable bottles function as simple containers without any intelligent features. They do not provide feedback on hydration behavior, water quality, or hygiene. As a result, users receive no guidance, while bottles can quickly become contaminated due to insufficient cleaning, leading to unnoticed hygiene risks. Many reusable ottle have a hygiene problem, because they are not cleaned proberly.
- Basic Tracking Solutions: some smart bottles focus on hydration tracking by measuring water intake and providing reminders. However, these solutions are limited in scope. They only quantify how much water is consumed but completely ignore water quality, mineral content, and contamination risks. Similarly, bottles with UV-C cleaning address hygiene but do not provide any data or insights beyond that single function.
- High-End but Limited Systems: More advanced products on the market are often expensive and tend to focus on isolated features rather than offering an integrated solution. In addition, they may rely on complex or unintuitive apps, which can reduce usability and discourage long-term engagement. The high price point also limits accessibility for a broader user base.
Overall, existing products address individual aspects such as tracking, cleaning, or design, but fail to combine hydration monitoring, hygiene, and water quality analysis into one coherent and user-friendly system.
Requirements
The following requirements have been established to guide through the development of this project. Requirements are uniquely identified for traceability through the project lifecycle.
General Requirements
- Budget Constraints: The team has a total budget of 100 €. That budget should not be exceeded. Priority is given to hardware pieces to have more precise data.
- Adopt the International System of Units (SI)
- All electronic components shall comply with Directive 2011/65/EU (RoHS), restricting hazardous substances.
- Wireless communication modules shall comply with Directive 2014/53/EU (RED)
- Other aspects like the EMDC and LVD must also be complied.
App Requirements
- Easy to use
- User-friendly interface
- Core actions shall be reachable within two clicks
- Developed using react
- Error prevention
- The application shall display the user’s cumulative water intake for the current day in millilitres (ml)
- Track water intake, minerals in water and other useful data for the user
- Personal data collection and processing shall comply with Regulation (EU) 2016/679 GDPR
Sustainability requirements
- The material used for the bottle should be environmentally friendly
- Use energy-saving technologies during the production process
- Keep the carbon footprint as minimal as possible
User Requirements
- As a user I want to track my total water intake
- The usage must be safe
- As a user I want to know if the tap water I poured in my bottle is safe to drink or not
- As a user I want to have a bottle that both easy to cary and also has a nice design
Key Requirements
- Arduino chip
- Mineral reading sensors
Tests
Report Structure
| Chapter |
|---|
| 1 Introduction |
| 2 Background and Related Work |
| 3 Project Management |
| 4 Marketing Plan |
| 5 Eco-efficiency Measures for Sustainability |
| 6 Ethical and Deontological Concerns |
| 7 Project Development |
| 8 Conclusion |
| 9 Acknowledgements |
Background and Related Work
Introduction
The foundation of this project lies in investigating modern health and hygiene aspects within the field of hydration. A central issue with the use of reusable bottles is often inadequate cleaning, which increases the risk of contamination from bacteria, yeast, or mold. Parallel to this, many individuals neglect their daily water intake due to forgetfulness or a lack of awareness, leading to significant health risks associated with dehydration.
This chapter provides the necessary concepts and background information to address these challenges technologically. We focus on this target group: young, health-conscious and tech-savvy individuals who view a user-friendly app as an enrichment of their daily lives and who prioritize not only clean water and bottles but also a sufficient supply of minerals and consistent hydration. Especially travelers who are often unsure about the local water quality abroad can benefit from a smart bottle.
Before presenting our own solution, we will first analyze concepts, existing products and projects on the market. Finally, a detailed comparative table will be provided, evaluating current market leaders alongside the specific sensors and features relevant to our project.
Concepts
The IoT and Digital Health Framework
The smartification of everyday objects is a key aspect of the Internet of Things (IoT) and digital health technologies [1]. Water bottles represent an interesting application area because hydration plays an essential role in human health and can be influenced through behavioral interventions. Smart water bottles typically combine sensors, microcontrollers and mobile applications to monitor water consumption, motivate users to drink regularly, and potentially analyze certain aspects of water quality [2].
Physiological Hydration and Health Dynamics
The primary concept behind smart hydration is the body’s requirement for an adequate water supply to ensure waste excretion via the kidneys, correct electrolyte balance, and efficient heat dissipation through sweat [3]. Beyond the total volume, the frequency of intake is crucial; regular hydration promotes brain function, improves physical performance, and positively impacts chronic diseases [4]. Since it is difficult for individuals to subjectively assess their daily intake, technology serves as an objective tool for self-monitoring to prevent dehydration, which is a common risk for the elderly, the sick, and highly active individuals. Nevertheless, adequate hydration affects everyone [5].
Hygiene, Biofilms, and Contamination Risks
While reusable bottles are generally more sustainable and economical, they also require regular cleaning. Observations of user behavior suggest that many consumers frequently refill their bottles without cleaning them sufficiently. A major theoretical challenge is the hygiene gap, because these bottles often harbor heterotrophic plate counts (HPC), which include bacteria, yeast, and mold [6]. The Colony Forming Units per milliliter (CFU/ml) is a measure for the number of living, reproducible bacteria or fungi in a liquid sample [7]. In the EU, the safety limit of 100 CFU/mL is frequently exceeded because users often refill bottles without sufficient cleaning [8]. Microorganisms form biofilms on internal surfaces, especially when nutrients are present and disinfectants are absent, potentially leading to foodborne illnesses in vulnerable groups [9].
Mineralization and Nutritional Value
Another important components of drinking water are minerals. Minerals such as calcium and magnesium contribute essential bodily functions support bone health, muscle function, and nerve signaling. They also help maintain the body’s electrolyte balance and proper hydration. Although most minerals are obtained from food, drinking water can provide a valuable additional source. A study examined the relationship between drinking water total dissolved solids (TDS) and serum mineral levels in adults. Participants consuming higher-TDS water showed higher levels of calcium and magnesium in their blood compared to those drinking low-TDS water. The results suggest that mineral content in drinking water can contribute to overall mineral intake and electrolyte balance. The findings demonstrate that mineral water can play an important role in supporting dietary mineral balance [10].
Recommended water requirement
The determination of an individual’s optimal water requirement is a complex concept that transcends the standardized “eight-glass” rule. According to the National Academies of Sciences, Engineering, and Medicine, the general adequate intake (AI) for healthy adults in temperate climates is approximately 3.7 l for men and 2.7 l for women per day. The adequate intakes represent an amount that should meet the needs of almost everyone in a specific life-stage group who is healthy, consumes an average diet, and performs moderate levels of physical activity. This value is a guideline for adults over the age of 19. A distinction is also made between pregnant and breastfeeding women. For infants, children, and adolescents, the value varies depending on age. In Europe, the recommended water intake is lower than in the US, at 2.5 l for men and 2.0 l for women. However, these figures represent total fluid intake, including moisture from food, which typically accounts for 20 % of the daily total [11].
In addition to age and gender, daily water requirements depend on many other factors, such as physical and cognitive activity and diet, for example, whether a lot of protein is consumed. Of course, medical factors such as body mass index, blood pressure, blood volume, and hormone status also play a role. Another influencing factor is environmental conditions, as climatic conditions are decisive for the water consumption required to regulate the body's condition. Despite numerous efforts to determine the daily water requirements of children, men, women, and older adults, no empirical research provides clear answers, and there is no consensus. The dynamic complexity of the water regulation network and interindividual differences are the main reasons why no general consensus on daily water requirements has been reached to date. It is therefore not generally possible to make fundamental statements. By integrating these variables into a smart system, hydration tracking can move from a static goal to a personalized health intervention [12].
Sensors and components
Total Dissolved Solids Sensor
A TDS sensor measures the amount of dissolved substances in water by detecting its electrical conductivity. When minerals such as salts, calcium, or magnesium dissolve in water, they release charged ions that allow electricity to pass through the liquid. The sensor measures this conductivity and converts it into an estimated concentration of dissolved solids, usually expressed in mg/l. The advantage of this sensor is that it is inexpensive, compact, and able to provide quick measurements that indicate the general mineral content of water. However, it cannot identify which specific substances are present, and it also cannot detect biological contamination such as bacteria or viruses. The temperature is required to evaluate the TDS data. Therefore, an additional temperature sensor is necessary.
Temperature Sensor
A temperature sensor measures the temperature of water or the surrounding environment. In many water monitoring systems, temperature plays an important role because physical properties such as electrical conductivity change depending on temperature. For example, the conductivity of water increases by about two percent for every °C increase. By measuring temperature, the system can correct other sensor readings and improve their accuracy. The main advantage of temperature sensors is that they are highly precise, energy-efficient, and easy to integrate into electronic systems. Their limitation is that they do not provide direct information about water quality and mainly serve as supporting sensors for other measurements.
UV-C LED Module
An Ultraviolet-C (UV-C) light-emitting diode (LED) module uses ultraviolet light with wavelengths typically between 250 and 280 nm to disinfect water. This type of light damages the DNA of microorganisms such as bacteria and viruses, preventing them from reproducing and effectively inactivating them. UV-C sterilization is widely used in water treatment because it works quickly and does not require chemicals. Its advantages include fast disinfection and relatively low maintenance once installed. However, UV-C technology requires electrical power and does not remove dissolved chemicals or particles from the water, meaning it is often combined with other filtration methods.
pH Sensor
A pH sensor measures the acidity or alkalinity of water by detecting the concentration of hydrogen ions. Organic substances can sometimes influence the pH indirectly when they are broken down by bacteria, which may produce organic acids and slightly lower the pH. However, this process is slow and indirect, meaning the sensor does not detect organic compounds themselves but only changes in acidity.
The main limitation is that many other factors, such as dissolved carbon dioxide, minerals, or chemicals, can also affect the pH value. This makes the results non-specific and often difficult to interpret. In addition, pH sensors require regular calibration to maintain accuracy.
Overall, pH measurements provide only rough indications of possible organic activity in water rather than clear information about contamination. Since microorganisms can be directly inactivated through UV-C disinfection, pH monitoring often adds limited additional value in such systems.
Turbidity Sensor
A turbidity sensor measures the cloudiness of water by detecting how much light is scattered by particles suspended in the liquid. An LED shines light into the water while a photodiode measures how much of this light passes through or is scattered. If many particles such as sediments or microorganisms are present, more light is scattered and less reaches the sensor, indicating higher turbidity.
However, turbidity sensors only respond to physical particles and cannot detect dissolved substances such as minerals or chemicals. Their measurements can also be affected by air bubbles, biofilm, or deposits on the sensor surface, which may lead to inaccurate readings and require regular cleaning. While turbidity sensors are relatively cheap and easy to integrate, they provide only limited information about overall water quality. Turbidity sensors are therefore used in heavily contaminated water. Also because they primarily measure flowing water this is the reason why they are not suitable for the usage in a water bottle.
Pressure Sensor
A pressure sensor detects the force exerted by a fluid on a surface. In water-related applications, this measurement can be used to estimate the height of a water column and therefore determine the liquid level inside a container. Since pressure increases proportionally with depth, the sensor can calculate the amount of water present. Pressure sensors are advantageous because they offer high precision and reliable measurements even in small spaces. Many pressure sensors include temperature sensors.
Gravity Sensor
A tri-axial accelerometer measures acceleration and orientation relative to gravity. By detecting changes in motion and tilt, the sensor can determine whether an object is upright, tilted, or moving. This type of sensor is commonly used in smartphones, wearable devices, and other portable electronics. The main advantages of accelerometers are their extremely small size, low energy consumption, and versatility in detecting movement and position. Their limitation is that they do not measure environmental conditions such as water quality, and the collected data often requires additional software processing to interpret correctly.
Activated Carbon Filter
Activated carbon filters work through a process called adsorption, where contaminants attach to the surface of the carbon material. The carbon is processed to create a highly porous structure with an enormous surface area, which allows it to trap chemicals such as chlorine, organic compounds, and substances that cause unpleasant taste or odor. One major advantage of activated carbon is that it is inexpensive, widely available, and does not require electricity. However, it cannot effectively remove microorganisms like bacteria or viruses, and its performance decreases over time as the pores become saturated.
Carbon Block Filter
A carbon block filter is a more compact and dense form of activated carbon filtration. The carbon is compressed into a solid block with very small pores, forcing water to pass through the material slowly. This increases the contact between the water and the carbon surface, improving the removal of chemicals, chlorine, and some heavy metals. The advantage of carbon block filters is that they generally provide better filtration performance than loose carbon particles and can also improve the taste and smell of water. However, the filter must be replaced periodically, and it still cannot reliably remove microorganisms.
Material
Some of the caps on the market are be made of polypropylene (PP). This material is chosen for its excellent resistance to mechanical fatigue, meaning it can withstand repeated opening and closing without degrading. Polypropylene is also lightweight, waterproof, and chemically resistant, making it ideal for a bottle cap that must ensure a tight seal over long-term use.
Polished aluminum has proven to be a reliable choice for the body of the bottle, which contains the water. Aluminum is selected for several key reasons. First, when polished, aluminium becomes highly reflective. By reflecting the UV-C light throughout the interior surface, the aluminum increases the exposure of the water and the bottle walls to the UV-C radiation, which improves the disinfection and cleaning efficiency of the system. Additionally, the reflective aluminum can help reduce heat loss or gain by reflecting thermal radiation. Second, it is lightweight, durable and resistant to corrosion, making it suitable for everyday use.
The part of the bottle, which contains the electronic components (such as the battery, sensors, and LED), is often be made of plastic, like polycarbonate. This material is essential because it provides electrical insulation, preventing any contact between the conductive aluminum body and the electronic systems. It also offers waterproof protection, ensuring that the electronics remain safe and functional even in a humid environment. The plastic structure also helps absorb shocks and protect sensitive components.
In conclusion, the combination of polypropylene for durability, polished aluminum for thermal and reflective performance, and plastic for electrical insulation and protection ensures that the smart water bottle will be safe, efficient, and suitable for everyday use.
Products
Since various smart water bottles already exist on the market, analyzing these products can provide valuable insights for the development of a new design. By examining existing solutions, it is possible to identify useful technologies, components, and design approaches that may be relevant for the proposed system. This chapter therefore reviews several existing products and highlights their most important features, with a particular focus on the differences in their design concepts and functionalities. A summary table at the end of the chapter provides a direct comparison of the analyzed products.
The LARQ Bottle PureVis focuses primarily on water hygiene rather than hydration tracking. Its key feature is an integrated UV-C LED system, which disinfects both the water and the inner surface of the bottle. The UV-C light can be activated manually or automatically at regular intervals to eliminate up to 99.99 % of bacteria and viruses inside the bottle. The desinfection process takes 10 seconds. Some versions also include optional hydration tracking via a smartphone app and may be equipped with a replaceable filter to remove contaminants such as chlorine or heavy metals. The bottle is typically available in 500 ml and 740 ml versions, weighing around 380 g and 500 g. Thanks to its double-walled stainless-steel insulation, it can keep drinks cold for up to 24 hours and hot for about 12 hours. With a price range of about 90 € to 120 €, the LARQ bottle is relatively expensive, but its main advantage lies in the self-cleaning function and improved water hygiene, making it particularly suitable for travel and outdoor use [13].
Aqua Vault is a smart reusable water bottle designed to provide safe and clean drinking water wherever you are. The bottle features a UV-C sterilization system integrated into the lid, which effectively eliminates bacteria, viruses, and organic residues both in the water and inside the bottle. A built-in screen on the lid allows users to easily start and monitor the cleaning cycle. With a 3-minute sterilization process, Aqua Vault quickly disinfects the water and the interior of the bottle, ensuring a reliable and hygienic drinking experience [14].
Compared to the LARQ bottle, which also uses UV-C technology for water purification, Aqua Vault focuses on greater user interaction and transparency through its integrated display, allowing users to clearly see the cleaning status and cycle progress. While LARQ emphasizes automated purification, Aqua Vault combines UV-C sterilization, user feedback through the screen, and a simple 3-minute cleaning cycle to give users more control and confidence in the quality of their water.
In contrast, the HidrateSpark Pro Tumbler focuses on hydration monitoring and behavioral motivation. The bottle contains a sensor in the base that measures the water level, allowing it to automatically track how much water the user drinks. The data is transmitted via Bluetooth to a smartphone app, where users can monitor their hydration level, set personal drinking goals, and view statistics or achievements. A distinctive feature of this bottle is its LED light system, which lights up in different colors to remind users to drink throughout the day. The bottle can also integrate with health platforms such as Apple Health and it supports Apple Find My for locating the bottle. The bottle typically has a capacity of about 620 ml, weighs around 400 g to 500 g, and costs approximately 70 € to 90 €. Its main advantage is the automatic tracking of drinking behavior, although it requires charging and may occasionally experience Bluetooth connectivity issues [15].
The Ozmo Active Smart Bottle extends the concept of hydration tracking by integrating fitness and lifestyle data. Similar to the HidrateSpark bottle, it uses sensors to measure fluid intake and sends the data to a smartphone app via Bluetooth. However, a key difference is that the Ozmo system can distinguish between different beverages, such as water and coffee, allowing users to monitor their total fluid consumption more comprehensively. The system also provides hydration reminders and integrates fitness and health platforms, linking hydration with physical activity data. The bottle has a capacity of around 600 ml, weighs approximately 400 g to 450 g, and costs around 60 € to 80 €. While the ability to track multiple beverage types provides a broader overview of fluid intake, the system can be more complex to use and mainly targets users interested in detailed health and fitness monitoring [16].
The equa Smart Water Bottle, on the other hand, focuses on simplicity and user motivation. Its main feature is a light signal integrated into the bottle, which illuminates to remind the user to drink regularly. The bottle connects via Bluetooth to the EQUA Hydration App, where the user’s daily water intake is tracked. The app also calculates a recommended daily hydration level based on personal parameters, such as body characteristics and activity level. In contrast to more sensor-focused systems, the Equa bottle mainly encourages hydration through reminders and app-based tracking rather than precise intake measurement. The bottle is made of double-walled, vacuum-insulated stainless steel, has a capacity of 680 ml, and weighs around 350 g to 400 g. Its typical price is 70 € to 90 €. The main advantage of the Equa bottle is its simple and intuitive reminder system, although, like other smart bottles, it requires charging and is more expensive than conventional bottles [17].
Overall, these products demonstrate different approaches to smart hydration systems. While the LARQ bottle emphasizes water purification, the HidrateSpark focuses on precise hydration tracking, the Ozmo system integrates hydration with broader health data, and the Equa bottle prioritizes simple reminders and user motivation. These differences highlight the range of possible functionalities and design strategies that can be considered when developing a new smart water bottle system. It turns out that all these areas, disinfection, water quality control, quantity tracking, and motivation and overview via a connected app, are already covered by individual bottles. However, there is currently no water bottle that combines all these aspects.
Projects
Clinical Trials on Behavioral Intervention
Various projects have used clinical settings to test the efficacy of smart hardware. A randomized trial showed that patients using smart bottles with integrated hydration reminders achieved a much higher daily fluid intake compared to a control group [18]. Similarly, research involving college students demonstrated that digital feedback loops and historical data provided via an app significantly increase a user's awareness of their hydration patterns [19].
Technical Execution: Acoustic and Visual Feedback
Specific engineering projects have explored different ways to alert users. While most rely on smartphone notifications, some projects have successfully implemented reminders, such as acoustic signals or glowing LED bases, to prompt hydration without requiring the user to check a screen [20].
The UV-C Sterilization Project
The study [21] found that more than 20 % of reusable bottles had bacterial counts that exceeded the limit. Organic substances are referred to as heterotrophic plate count (HPC) and include mold, bacteria, and yeast. Different countries have different limit values for HPC in tap water [22]. In the EU, the limit is 100 CFU/ml which is exceeded in many water bottles even though the tap water used to fill them is clean. The design of the bottle, how it is used, the material, whether it is used for water or other beverages, the age of the bottle, and how it is cleaned are all important factors. Improperly cleaned bottles may therefore present a contamination risk and potentially contribute to foodborne illness, especially for vulnerable groups such as children, older adults, or immunocompromised individuals. Microorganisms commonly grow in water and on surfaces in contact with water in the form of biofilms, particularly when nutrients are available and no disinfectant is present [23].
A major project-based advancement in smart bottles is the implementation of UV-C LED technology for internal sterilization. This addresses the hygiene problem of bacteria, yeast and mold without requiring physical filters or chemicals. It turns a standard container into a self-cleaning medical-grade device. There is a new approach in which the UV-C light spectrum is used to disinfect both the water and the bottle itself. The spectrum range between 250 nm and 280 nm is crucial. Only this can ensure that the DNA and mRNA of the microorganisms in the water are destroyed and the organic matter is killed. It is also important that the inner surface of the bottle is reflective and that all materials exposed to the light are UV-C resistant [24]. This concept will be introduced in connection with the products of the company LARQ and ensures that organic contaminants are eliminated.
Environmental Impact and Sustainability Projects
The development of smart reusable bottles is also a response to the global plastic crisis. Normal plastic water bottles have a significant environmental impact throughout their entire life cycle. Studies have shown that bottled water can have an environmental footprint up to 3500 times greater than tap water, mainly due to plastic production, packaging, transportation, and waste management. The manufacturing of single-use plastic bottles requires large amounts of energy and fossil resources, which contributes to greenhouse gas emissions [25]. In addition, many plastic bottles are not properly recycled and end up in landfills or in natural environments such as rivers and oceans. This can lead to long-term pollution, the formation of microplastics, and harm to wildlife that may ingest or become trapped in plastic waste. These consequences highlight the environmental importance of reducing single-use plastic bottles and promoting reusable and more sustainable alternatives. The use of reusable bottles is one opportunity to reduce the consumption of plastic bottles and therefore offer a way to face the environmental impact [26].
Advanced Sensing and Future Integration
Recent research projects are exploring the integration of advanced sensors into portable bottles to detect specific contaminants and monitor real-time mineral content. While no commercial bottle currently measures TDS or minerals directly, studies have proven the health benefits of such data [27]. Current project goals focus on overcoming technical hurdles like sensor miniaturization and power consumption to make these features a reality in everyday life.
Comparative Analysis
Table 2 compares the different products.
Table 3 compares and discusses the different components.
| Component | Size (mm) | Price (€) | Power Consumption (mW) | Weight (g) |
|---|---|---|---|---|
| TDS Sensor (SEN0244) | 42 $\times$ 32 (cable ~800) | 23 | 10–30 | ~32 |
| Pressure Sensor (FSR406) | 43.7 $\times$ 43.7 | 13 | 2–3 | ~3 |
| UV-C LED Module | 30 $\times$ 30 | ~30 | 0–5 (standby), 1000 (cleaning) | ~3 |
| Accelerometer (LIS3DHTR) | 20 $\times$ 15 $\times$ 3 | ~10 | 0,165 | 2 |
| Temperature Sensor (KY-015 DHT) | 32 $\times$ 14 $\times$ 7 | 11 | 7 | 8 |
| Piece of activated carbon | 50 $\times$ 30 | 12 | 0 | 5 (dry), 10 (wet) |
| Microcontroller (ESP32 DevKit V1) | 56 $\times$ 28 $\times$ 13 | 13 | 792 | 20 |
| SSD1306 OLED Display (0.96“) | 25 $\times$ 26 | 4 | 82,5 | 4 |
Summary
The analysis of existing concepts, projects and smart water bottles shows that many products address individual aspects of hydration and water quality. Some focus on hydration tracking and behavioral motivation through smartphone apps, while others integrate UV-C technology for disinfection or include filtration systems. However, there is currently no product on the market that combines UV-C disinfection, water filtration, volume tracking, mineral content measurement, and a user-friendly app with gamification in one integrated system. While individual features exist across different products, they have not yet been combined into a single solution. This represents a potential market opportunity for the TRAQUA concept.
At the same time, there is a growing trend toward tracking everyday behavior and focusing more on personal health and wellbeing. People increasingly monitor activity, sleep, and nutrition using digital tools. However, hydration and especially bottle hygiene are often neglected. Studies show that reusable water bottles are frequently not cleaned adequately, which can lead to bacterial growth, and many people drink less water than recommended. Research also demonstrates that digital reminders and tracking apps can significantly increase daily water intake.
These insights highlight the potential for a smart bottle like TRAQUA that combines hydration tracking, water quality monitoring, and bottle hygiene in one system while supporting healthier habits through an intuitive and motivating app.
Project Management
This chapter will provide an overview of the project, addressing scope, time, cost, quality, communication, project plan, sprint scrums, and sprints.
Scope
The project scope is limited to developing a POC of the smart bottle. The technical focus will be on reading certain minerals from the water and enabling communication with the app. The prototype will be tested in a controlled environment and is not intended for full deployment in a real live operating environment.
In addition, to the technical prototype, the project will include a full-scale report on how the bottle should look and act. The report will include recommendations for future development, deployment plans, dataset improvement, integration opportunities, and potential risks.
Project Start: 6 of March 2026
Team Preparedness: The team members should have the required knowledge and skills in configuring ESP32, marketing, ethics, and all the chapters mentioned in the report. Preparatory training or upskilling may be necessary if he team lacks specific expertise.
Stakeholder Communication: Establishing effective communication channels with stakeholders, including the client and end-users, is a precondition. Clear communication protocols should be in place to gather feedback and requirements.
Risk Assessment and Migration Plan : The project needs to perform a risk assessment beforehand to pinpoint potential risks and create plans to manage them. This prepares the project to handle unexpected challenges effectively.
Test Envoironment: It is crucial to have a testing environment for thorough application testing before deploying it. This testing environment needs to closely resemble the final deployment environment.
Time
This subchapter underlines the deadlines that must be met. Documenting key milestones and linking them to deadlines is crucial for clarity, accountability, and progress tracking. It ensures teams stay aligned, allows for early identification of potential risks, and enables timely adjustments. A well-structured timeline enhances efficiency and significantly increases the likelihood of project success.
Project Duration: 2026-02-23 → 2026-06-25 (123 days / ~17.5 weeks)
| # | Date | Milestone | Days from start | Risk |
| — | —— | ———– | —————– | —— |
| — | 2026-02-23 | Project start | 0 | — |
| 1 | 2026-02-28 | Choose top 3 projects | 5 | Low |
| 2 | 2026-03-11 | Upload black box diagram and Structural Draft | 16 | Medium |
| 3 | 2026-03-18 | Upload the List of Components and Materials | 23 | High |
| 4 | 2026-03-21 | Define Project Backlog, Global Sprint Plan, Initial Sprint Plan and Release Gantt Chart | 26 | Medium |
| 5 | 2026-03-25 | Upload System Schematics & Structural Drawings + cardboard scale model | 30 | High |
| 6 | 2026-04-12 | Upload Interim Report and Presentation | 48 | Medium |
| 7 | 2026-04-16 | Interim Presentation + feedback | 52 | Low |
| 8 | 2026-04-22 | Upload 3D model video | 58 | Medium |
| 9 | 2026-04-29 | Upload final List of Materials (local providers, price, VAT, transportation) | 65 | High |
| 10 | 2026-05-02 | Upload refined Interim Report (after feedback) | 68 | Low |
| 11 | 2026-05-13 | Upload packaging solution | 79 | Medium |
| 12 | 2026-05-27 | Upload Functional Tests results | 93 | High |
| 13 | 2026-06-13 | Upload Final Report, Presentation, Video, Paper, Poster and Manual | 110 | High |
| 14 | 2026-06-18 | Final Presentation + Individual Discussion + Assessment | 115 | Medium |
| 15 | 2026-06-23 | Wiki/report/paper corrections, refined deliverables, printed poster/brochure/leaflet | 120 | Medium |
| 16 | 2026-06-25 | Prototype demonstration, submit prototype and user manual | 123 | High |
Risk legend: - Low — Well-defined task, short turnaround, low dependency on external factors. - Medium — Moderate complexity or dependency on prior deliverables; recoverable if delayed. - High — Blocks downstream work, depends on external factors (suppliers, hardware, feedback), or has cascading consequences if missed.
High-risk rationale: - List of Components (2026-03-18) — drives all sourcing and budgeting downstream. - System Schematics + scale model (2026-03-25) — physical deliverable, hardware/material dependency. - Final Materials List (2026-04-29) — depends on supplier responses, pricing, VAT, shipping lead times. - Functional Tests (2026-05-27) — prototype must be working; bugs/hardware failures can cascade. - Final deliverables bundle (2026-06-13) — largest single upload (report, presentation, video, paper, poster, manual); coordination-heavy. - Prototype demonstration (2026-06-25) — final, non-recoverable; live hardware failure = project failure.
Costs
Project Budget and Cost Management
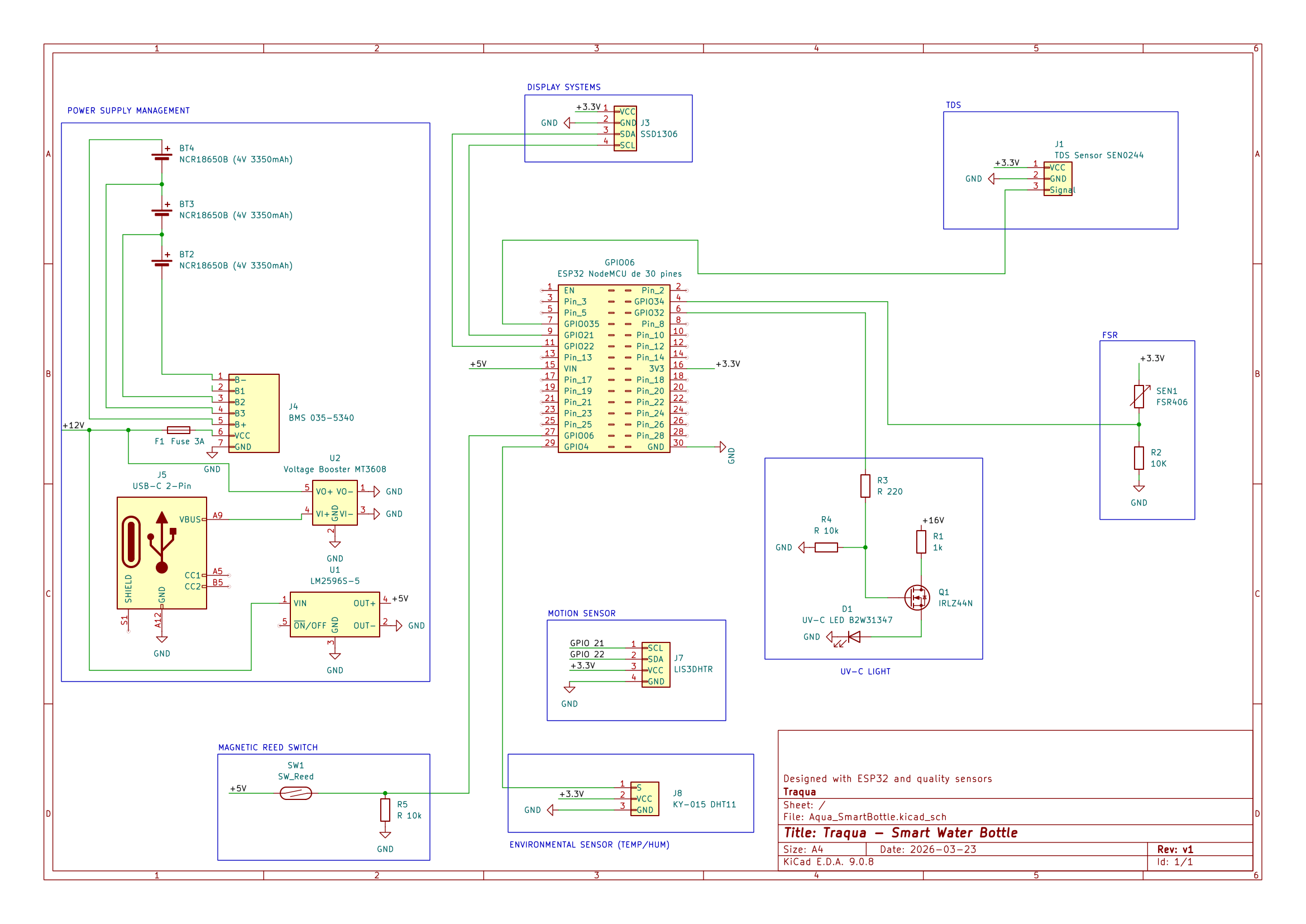
The project budget was defined specifically for the development of a single smart water bottle prototype, with the 100 € allocation covering only the material and component costs required for one unit. The largest expenses were associated with electronic components, sensors, and structural materials. Key elements included the microcontroller, TDS sensor (for water quality), FSR406 pressure sensor (for water level), and LIS3DHTR accelerometer (for motion detection). Additional components such as MOSFETs and supporting circuitry were also required to ensure safe and reliable operation.
Mechanical elements included the bottle, UV-C protection materials, and mounting components. Smaller items such as wires, fuses, and prototyping boards were not included in the budget, as they were already available in the university laboratory.
Budget Management
The budget was carefully managed throughout the project lifecycle. Multiple Portuguese suppliers were evaluated to achieve a balance between cost, quality, and delivery time. Where possible, components were sourced from a single supplier to minimize shipping costs. A deliberate decision was made to avoid ordering from China, improving delivery reliability and lead times at the expense of slightly higher costs.
In some cases, sourcing from multiple suppliers resulted in increased shipping expenses. Although lower-cost alternatives were available, the team prioritized components that best satisfied the technical requirements and overall system design. The approach focused on maintaining performance while controlling costs where feasible.
Cost Analysis
The final prototype cost reached € 155.25, exceeding the initial 100 € budget by 55.25 € (approximately 50 %). This variance was mainly due to shipping costs, VAT inclusion, and slight underestimations during the planning phase. Despite this, the deviation remained relatively small and acceptable for a prototype. These costs will be cut down once we go into mass production. A reduction of at least 70 € can be expected
Conclusion
Overall, the budget was effectively controlled, with only a modest increase from the original 100 € estimate. All critical system requirements were successfully achieved. The project highlights the importance of appropriate component selection, supplier management, order consolidation, and leveraging available resources to optimize costs.
Mechanical Components (Per Bottle)
| Name | Description | Link | Quantity | Unit Price (€) |
| Plastic Bottle | Body of the prototype | IKEA.pt | 1 | 2.50 |
| Aluminium foil | Reflective, waterproof, isothermic | Continente.pt | 1 | 1.50 |
| Activated carbon filter | Filters chlorine & improves taste | Joom.pt | 1 | 12.40 |
Electrical Components (Per Bottle)
| Name | Description | Link | Quantity | Unit Price (€) |
| TDS sensor | Measures conductivity in the water | Mauser.pt | 1 | 20.59 |
| MOSFET | Works as a switch for the voltage booster | Mauser.pt | 1 | 1.14 |
| Battery | Rechargeable, 3400 mAh, 3.7 V Li-Ion battery | Mauser.pt | 3 | 14.60 |
| BMS | Protects, balances and manages charging of the batteries | Mauser.pt | 1 | 4.23 |
| Battery holder | Holds the batteries and makes battery changing easy | Mauser.pt | 3 | 0.65 |
| Charging port | DC port that connects to the BMS module | Mauser.pt | 1 | 0.92 |
| Buck converter | Step-down for microcontroller (12 V → 5 V) | Mauser.pt | 1 | 1.89 |
| Magnetic reed switch | Switch for the base of the bottle | Mauser.pt | 1 | 2.10 |
| Fuse | Glass fuse 1 A, 5×20 slow blow | Mauser.pt | 1 | 0.18 |
| Fuse holder | Cylindrical fuse holder with threads | Mauser.pt | 1 | 0.57 |
| Breadboard | Protoboard 50×70 for the prototype circuit | Mauser.pt | 1 | 0.95 |
| 1.1 mm wire | Wiring for UV-C light (AWG26) | Mauser.pt | 1 | 1.70 |
| Accelerometer | Senses movement and if the bottle is upright | Kiwi-electronics.com | 1 | 9.53 |
| UV-C LED module | Sterilizes the water | Fruugo.pt | 1 | 8.95 |
| Pressure sensor | Tracks the water amount | Fruugo.pt | 1 | 7.95 |
| Temperature sensor | Measures temperature and humidity | Fruugo.pt | 1 | 7.95 |
| Breadboard kit | Includes wires, resistors, LEDs, etc. | Joom.pt | 1 | 11.90 |
| Microcontroller | ESP32 DEVKIT 1, central control unit | Joom.pt | 1 | 7.30 |
| Charger | 3S 18650 charger, 12.6 V, 2 A | Joom.pt | 1 | 2.50 |
—-
Total Estimated Cost per Prototyp
| Category | Estimated Cost (€) |
| Mechanical Components | 6.75 |
| Electrical Components | 148.50 |
| Total Estimated Cost per Bottle | 155.25 |
| Initial Budget | 100.00 |
| Budget Difference | -55.25 |
Personnel Costs
In addition to the material cost per prototype, the development of the system involved personnel costs associated with a team of six engineers. Each engineer worked an average of six hours per day over a four-month period, excluding weekends. This corresponds to approximately 88 working days per engineer, or 528 hours per person, resulting in a total of 3 168 working hours for the entire team.
Assuming an average hourly salary of 14 €, the total personnel cost for the development phase is estimated at 44 352 €. This value reflects the full design, development, integration, and testing process. While not included in the per-unit prototype cost, it represents a significant investment that would typically be distributed across units in a large-scale production scenario.
Quality
Quality Metrics and Review Process
To ensure the smart water bottle system meets all functional, safety, and performance requirements, a set of quality metrics was defined. These metrics allow us to verify that each component and the complete system works as intended and safely.
Physical Specifications
The prototype is built around a 0.5 L bottle with the following approximate dimensions and weights:
- Capacity: 0.5 L
- Height: 25–27 cm
- Diameter: 7–8 cm
- Empty weight (including electronics and battery pack): 300–380 g
- Full weight (with water): 800–880 g
These values are verified during assembly to ensure the prototype remains comfortable to hold and carry, and that the added weight of the integrated electronics and battery pack does not significantly compromise usability compared to a standard reusable water bottle.
Sensors and Accuracy
All sensors are tested for accuracy and reliability. The TDS sensor must measure water quality within ± 10 % of reference values. The temperature sensor should read within ± 2 °C.
The pressure sensor (FSR406) is used to determine the water level in the bottle. It measures the force exerted by the water on the bottom of the bottle. The water height can then be calculated using the formula:
h = F / (A · ρ · g)
Where:
- h = water height (m)
- F = force measured by the sensor (N)
- A = area of the bottle base in contact with water (m²)
- ρ = density of water (~1000 kg/m³)
- g = gravitational acceleration (~9.81 m/s²)
This allows the system to detect empty, half-full, or full states accurately. The accelerometer (LIS3DHTR) is tested to ensure it correctly detects motion and orientation, allowing the system to respond appropriately to movement. Sensor outputs are compared against reference measurements, with calibration applied in software if necessary.
Power and Battery Performance
The system's power consumption is monitored in all operating modes. Idle power should stay below 100 mW and normal sensing should remain below 1 W. The battery pack consists of three Panasonic NCR18650B cells (3400 mAh each) in a 3S configuration, providing a nominal voltage of 11.1 V. Depending on usage intensity and the frequency of UV-C sterilisation cycles, the pack is expected to provide between two and seven days of autonomy on a single charge. Full charging is performed via the dedicated 3S 12.6 V / 2 A external charger, and cell balancing and thermal behaviour are verified during testing to ensure no overheating occurs under any operating condition.
System Reliability and User Interface
The system is expected to operate reliably, with uptime of at least 95 %, no unexpected resets, and consistent sensor readings over time. User feedback is provided through onboard status LEDs, which are tested for correct behavior and clear visibility in normal lighting conditions.
Electrical Safety
All electrical components are designed and tested for safe operation. A 1 A 5×20 mm slow-blow glass fuse protects the system from overcurrent, and a dedicated 3S BMS continuously monitors the battery pack for over-voltage, under-voltage, over-current, and short-circuit conditions, while also balancing the cells during charging. A MOSFET (IRLZ44N) controls high-power components safely, and a step-down LM2596 buck converter provides a regulated 5 V rail for the microcontroller from the 12 V pack. Circuits are fully isolated to prevent short circuits.
The bottle incorporates a circuit-killer switch in the base, implemented as a magnetic reed switch (SPST-NO), which automatically disconnects power when the bottle is disassembled for cleaning. The geometrical design in the bottle cap ensures no UV light escapes when the bottle is closed.
During assembly of the prototype, careful safety measures will be taken to minimise exposure to UV-C light, including proper handling, protective gear, and avoiding powering the LED unnecessarily.
Review and Testing Process
Quality is verified through functional testing, calibration, power measurements, long-term operation, and safety testing. Components are first tested individually, then as part of the complete system. Any metric that does not meet its threshold is documented, corrected, and retested until all standards are met.
Acceptance Criteria
A deliverable is considered acceptable when all defined thresholds are met, the system operates reliably, and no safety issues are present.
People & Stakeholder Management
The stakeholder analysis is meant to assist the project group to understand who has interest and power over the project. It is a way to recognise who will be affected by the final product and to be able to categorize everyone involved in order to plan how the project group will interact with them throughout the project.
Stakeholders will be split into four separate groups: Key Figure, Influencer, Interested and lastly, Spectator. All the stakeholders would be placed against 2 axes, representing their interests and influence. As this is an internal project, the number of stakeholders is limited.
Mendelow Matrix - Key Figures (High Interest, High Influence): Clients, Lecturers / Coordinator, Project Group - Influencers (Low Interest, High Influence): ISEP Board, Competitors - Interested (High Interest, Low Influence): Material Providers, Future Investors - Spectators (Low Interest, Low Influence): Logistic Partners
Figure 3 shows the stakeholder analysis.
Analysis of Stakeholders
Spectators — Logistics Partners: While not directly involved, they may eventually experience benefits from an improved inspection system. However, their role is passive, and they will not influence or interact with the project.
Interested: - Material Providers: Supply components and materials; their pricing, availability, and lead times directly affect the project budget and timeline. - Future Investors: Will potentially invest money into the product, so a close eye must be kept on their expectations.
Influencers: - ISEP Board: Though not actively participating, defines academic frameworks and grading guidelines. - Competitors: TRAQUA must keep a sharp eye on what competitors develop while keeping their product fresh and at a decent price.
Key Figures: - Clients: Central to the project's direction and success — they define the problem and validate the solution. - Lecturers / Coordinator: Advise the group, evaluate project quality, offer ongoing feedback, and determine part of the final grade. - Project Group: The student developers have the most motivation to succeed and interest in creating a functional system.
Communication Strategy
Each stakeholder group requires a different communication approach based on their position in the Mendelow Matrix. The table below summarizes how the project group communicates with each party and what is expected in return.
| Stakeholder | Strategy | From us → them | From them → us | Channel | Frequency |
| — | — | — | — | — | — |
| Clients | Manage Closely | Progress updates, prototype demos, design decisions, clarification requests | Requirements, feedback, validation, priority changes | Meetings, email, demos | Bi-weekly + milestones |
| Lecturers / Coordinator | Manage Closely | Deliverables, reports, presentations, questions | Feedback, grading criteria, guidance, corrections | Scheduled meetings, email, Moodle/wiki uploads | Weekly + each deliverable |
| Project Group | Manage Closely | Task status, blockers, decisions, shared documents | Same — bidirectional | Daily standups, Discord/Teams, Git, shared drive | Daily |
| ISEP Board | Keep Satisfied | Final deliverables, compliance with academic standards | Academic framework, regulations, grading rules | Formal submissions via coordinator | At defined academic checkpoints |
| Competitors | Keep Satisfied (monitor) | No direct communication | Market info gathered via public sources (websites, patents, product releases) | Market research, web monitoring | Monthly scan |
| Material Providers | Keep Informed | Quotes requests, orders, specifications | Pricing, availability, lead times, VAT, shipping | Email, web forms, phone | As needed during sourcing phases |
| Future Investors | Keep Informed | Pitch, final presentation, poster, brochure, leaflet | Interest signals, questions, funding decisions | Final presentation, marketing materials | End of project |
| Logistic Partners | Monitor (minimal effort) | No active communication | Passive — potential future end-users | N/A (indirect) | None during project |
Communication principles: - Single point of contact: each external stakeholder is handled by one designated team member to avoid mixed messages. - Documentation: all formal communication (client meetings, lecturer feedback, supplier quotes) is logged in the project wiki. - Escalation: blockers are raised in the next standup; client/lecturer issues are escalated within 24h. - Feedback loop: after each milestone, feedback received is reviewed in the following sprint planning.
Communication
TRAQUA uses a structured set of communication channels, each chosen for a specific purpose: fast internal coordination, formal documentation, stakeholder alignment, and customer engagement.
Internal Team Communication
- WhatsApp — primary channel for day-to-day coordination, quick questions, and informal idea sharing. Fast and low-friction, ideal for immediate feedback.
- Microsoft Teams — used to store documents, organize files, and hold formal online meetings when in-person is not possible. Channels are structured by workstream (e.g., Hardware, Software, Documentation, Marketing).
- Jira — sprint backlog, task assignment, sprint retrospectives, and all sprint-related activities are documented and tracked here. Provides traceability from user story to delivered feature.
- Git (repository) — source code, schematics, and technical drawings are version-controlled. Commit messages reference Jira tickets for traceability.
- Project Wiki — central knowledge base for the report, meeting minutes, decisions, and deliverables.
Communication with Lecturers / Coordinators
Meetings with teachers are organized every Thursday. The team is obliged to share an agenda by Tuesday evening at the latest so that teachers can prepare any necessary materials. These meetings are used to show the team's progress, ask questions, and share ideas.
After each teacher meeting, the team gathers to hold a retrospective and discuss the upcoming sprint. Outcomes are logged in Jira and the wiki.
| Item | Detail |
| — | — |
| Frequency | Weekly (Thursday) |
| Agenda deadline | Tuesday 23:59 |
| Channel | In-person / Teams |
| Output | Meeting minutes in wiki, action items in Jira |
| Escalation | Email to coordinator for urgent issues |
Communication with Clients
Clients define the problem and validate the solution, so regular structured contact is essential.
- Bi-weekly progress meetings — demo current state, gather feedback, confirm direction.
- Milestone demos — aligned with major deliverables (interim presentation, functional tests, final prototype).
- Email — for formal questions, requirement clarifications, and document sharing.
- Meeting minutes shared within 24h of each meeting to confirm understanding.
Communication with Suppliers
To maintain good contact with suppliers, regular meetings are planned every one to two months. This allows both the supplier and TRAQUA to gather all their information and questions and discuss everything together, instead of sending scattered emails throughout the week or month. This batching saves everyone from dealing with many small tasks.
- Primary channel: email for quotes, orders, and specifications.
- Backup channel: phone for urgent availability or lead-time issues.
- Single point of contact: one team member owns each supplier relationship to avoid mixed messages.
- Documentation: all quotes, confirmations, and delivery dates are archived in the Teams supplier folder.
Communication with Customers
Customers will have the opportunity to subscribe to a free newsletter that will update them on the company's goals and provide additional composting tips. The application will also include easy access to customer support, ensuring that all customers can reach the company easily.
- Newsletter — monthly, opt-in, covering company updates and composting tips.
- In-app support — chat / contact form for direct questions.
- Social media — for announcements, community engagement, and marketing.
- Response SLA — customer support queries answered within 48h.
Communication with Charities / Partners
To keep charities involved, the company will organize regular meetings with them to discuss relevant topics. This helps maintain strong and high-quality partnerships.
- Frequency: quarterly alignment meetings.
- Purpose: discuss joint initiatives, impact reporting, and upcoming campaigns.
- Channel: in-person or video call, minutes shared afterward.
Communication Tools Summary
| Tool | Purpose | Audience |
| — | — | — |
| Fast internal chat | Project Group | |
| Microsoft Teams | File storage, formal meetings | Project Group, Lecturers |
| Jira | Sprint management, task tracking | Project Group |
| Git | Version control (code, schematics) | Project Group |
| Wiki | Documentation, knowledge base | Project Group, Lecturers |
| Formal external communication | Lecturers, Clients, Suppliers | |
| Newsletter | Customer engagement | Customers |
| In-app support | Customer service | Customers |
Communication Principles
- Right channel for the right message: urgent = WhatsApp; formal = email; technical = Jira/Git; knowledge = wiki.
- Asynchronous by default: written communication preferred to respect everyone's schedule; meetings reserved for decisions and alignment.
- Document everything: every meeting produces minutes; every decision is logged.
- Acknowledge receipt: messages requiring action are acknowledged within 24h, even if the full answer comes later.
- No silent blockers: any blocker is raised in the next standup or immediately via WhatsApp if critical.
Communication Risks & Mitigation
| Risk | Impact | Mitigation |
| — | — | — |
| Message overload on WhatsApp | Important info gets lost | Use Teams/Jira for anything needing traceability; WhatsApp only for quick sync |
| Supplier delays in response | Sourcing timeline slips | Contact multiple suppliers in parallel; escalate after 5 business days of silence |
| Client unavailable for feedback | Design decisions blocked | Book meetings 2 weeks in advance; have a backup decision-maker identified |
| Missed lecturer agenda deadline | Meeting less productive | Recurring Tuesday reminder in team calendar |
| Meeting minutes not documented | Decisions forgotten / disputed | Rotating minute-taker role, published within 24h |
| Single point of failure on a channel | Team member unreachable | Key info duplicated in wiki; no critical info lives only in chat |
Risk
This chapter handles the possible risks that may be met during the project and ways to tackle them. This is shown in the table below.
Table 4 …
| Risk | Possibility | Outcome | Prevention | Measure taken |
|---|---|---|---|---|
| Common illness | Possible | The team will be set back for a moment | Good health care and communication properly with team | Assume tasks for ill members |
| Tasks not completed on time | Possible | Set back until tasks are completed | Proper planning and time management | Tasks require proper planning. The advice on a new plan |
| Lack of technical knowledge | Likely | The team might not be able to realize certain parts of the project | Research proper technical skills needed, practice these, and ask for help if needed | Research what skills the team is lacking. |
| The departure of a project member | Possible | The team will fall behind | Proper communication betwen members to be able to react to a sign of a member dropping out quickly and effectively | Work on the tasks of the dropped member |
| Loss of data | Unlikely | Loss of data files | Frequent backup up | Restore files from backup |
| Insufficient testing | Unlikely | Product delivered with less quality | Test plan correctly Review test reports and run test again | Keep taps on testing |
| Lack of money to scale the project | Possible | Plan materials according to the budget | Proper planning | Do not go over budget |
Risk analaysis
Data leaks (12) The system will be processing sensitive business data, which could, in theory, be leaked to unauthorized parties. This security breach could affect all users of the application. Due to the reputational damage to the product, potential financial losses for the customers, and the legal liability this entails, this risk is classified as catastrophic. And, since the likelihood of malicious actors trying to exploit the system increases with the amount of users, this risk should be considered as probable.
Battery exploding (8) This risk refers to the physical hardware used to run or interact with the application particularly mobile or IoT devices experiencing battery failure or thermal runaway. Although rare in modern consumer hardware, the possibility cannot be entirely dismissed, especially if the application runs intensive background processes that cause sustained high CPU or GPU usage. The likelihood of this occurring is classified as remote, given the robustness of battery management systems in contemporary devices. However, the severity is catastrophic, as battery explosions can cause physical harm to users or damage to property, making this a high-priority risk despite its low probability.
Application downtime (4) Application downtime refers to periods during which the system becomes unavailable to users. This can occur due to infrastructure failures, deployment errors, resource exhaustion, or unexpected spikes in traffic. Given that the application is cloud-based and relies on several interconnected services, the probability of experiencing some form of downtime is frequent. However, its severity is classified as negligible, as modern deployment practices — such as rolling updates, health checks, and auto-recovery mechanisms ensure that any disruption is typically brief and affects only a limited number of users at any given time. Proper monitoring and alerting further mitigate the impact.
API downtime (4) API downtime refers to the unavailability of third-party or internal APIs that the application depends on to function. This includes payment processors, authentication services, AI model endpoints, or data providers. Such outages can degrade or fully disable core application features. The likelihood of API downtime is classified as remote, since reputable providers maintain high availability SLAs; however, the severity is marginal, as only a subset of users or features will typically be affected during any given outage. Implementing retry logic, fallback mechanisms, and graceful error handling reduces the impact significantly.
Battery residue in materials (2) This risk concerns the presence of hazardous chemical residues in the batteries of hardware components used in development or production environments. Battery residue such as lithium compounds or electrolyte leakage — can pose environmental and health hazards if not properly handled or disposed of. The likelihood of encountering this risk is improbable under normal operating conditions, and the severity is marginal, as exposure is limited to those directly handling physical hardware components. Following standard electronics disposal and safety protocols effectively mitigates this risk.
UV-C radiation (1) UV-C radiation refers to the potential exposure to ultraviolet light emitted by certain hardware components—such as UV-C sterilization modules that may be used in specialized deployment environments. This risk is improbable in the context of a typical software application, as UV-C sources are not standard components in consumer or enterprise hardware setups. The severity is classified as negligible, since even in environments where such components exist, safety enclosures and regulatory compliance requirements strictly limit human exposure. This risk is included for completeness but presents no meaningful threat to standard application development or deployment.
Short circuit (1) A short circuit risk refers to electrical faults in the hardware infrastructure supporting the application, including servers, networking equipment, and end-user devices. While short circuits can cause equipment damage or data loss, their occurrence is improbable given the use of modern, certified hardware with built-in circuit protection. The severity is negligible, as affected equipment is typically isolated automatically by circuit breakers or surge protectors, and redundant infrastructure ensures service continuity. Routine hardware maintenance and compliance with electrical safety standards are sufficient to keep this risk at an acceptable level
Procurement
Procurement Management Strategy
The procurement strategy was designed to ensure that all required components are available on time and that the project can progress without delays. The main focus was on selecting components that are reliable, compatible, and easy to obtain within the project timeframe.
Each component was reviewed before ordering to confirm that it meets the system requirements and can be integrated without issues. This reduced the risk of delays caused by incorrect or incompatible parts and helped keep the procurement process organized.
Make vs Buy Decisions
Most components were purchased, especially electronic parts such as sensors, the microcontroller, and the display. These components require precise manufacturing and are not practical to produce within the project.
Some mechanical aspects, such as the internal mounting and positioning of components inside the bottle, were designed and assembled by the team. This allowed flexibility during prototyping and made it easier to adjust the design when needed.
Suppliers and Procurement Planning
Suppliers were selected based on availability, delivery time, and reliability. Multiple suppliers were used to ensure that all required components could be sourced without delays. Preference was given to suppliers that provide clear specifications and consistent stock levels.
Procurement was carried out in phases. Components needed for early testing were ordered first, allowing development and prototyping to begin as soon as possible. Less critical components were ordered later, once the design was more finalized. This approach reduced the risk of ordering unnecessary or incompatible parts.
Risk Management
To reduce procurement risks, alternative components and backup suppliers were identified for critical parts. Datasheets were carefully reviewed before ordering to ensure compatibility. Procurement was started early to allow enough time to handle delays, missing parts, or specification issues.
This structured approach ensured a smooth procurement process and supported steady project progress.
Procurement Table
| Item | Supplier | Manufacturer | Quantity | Lead Time (Days) | Notes |
|---|---|---|---|---|---|
| TDS Sensor (SEN0244) | Mauser | TPXCKZ | 1 | 2–4 | Water quality measurement |
| MOSFET (IRLZ44N) | Mauser | Infineon | 1 | 1–3 | Switching component |
| Battery (NCR18650B) | Mauser | Panasonic | 3 | 2–4 | 3S pack power supply |
| BMS (3S) | Mauser | Generic | 1 | 2–4 | Battery protection and balancing |
| Battery Holder (1×18650) | Mauser | Generic | 3 | 2–4 | Cell mounting |
| Charging Port (DC connector) | Mauser | Generic | 1 | 2–4 | External charger input |
| Buck Converter (LM2596) | Mauser | Generic | 1 | 2–4 | 12 V → 5 V regulation |
| Magnetic Reed Switch (SPST-NO) | Mauser | Generic | 1 | 2–4 | Circuit-killer at bottle base |
| Fuse (1 A, 5×20 slow blow) | Mauser | Eska | 1 | 1–3 | Overcurrent protection |
| Fuse Holder (5×20) | Mauser | Generic | 1 | 1–3 | Fuse mounting |
| Breadboard (Protoboard 50×70) | Mauser | Generic | 1 | 1–3 | Prototype circuit board |
| 1.1 mm Wire (AWG26) | Mauser | Goobay | 1 | 1–3 | UV-C light wiring |
| Accelerometer (LIS3DHTR) | Kiwi Electronics | STMicroelectronics | 1 | 3–6 | Motion and orientation detection |
| UV-C LED Module | Fruugo | Generic | 1 | 5–8 | Water sterilisation |
| Pressure Sensor (FSR406) | Fruugo | JETTING | 1 | 5–8 | Water level measurement |
| Temperature Sensor (KY-015 DHT) | Fruugo | AOKIN | 1 | 5–8 | Temperature and humidity sensing |
| Breadboard Kit | Joom | Generic | 1 | 5–10 | Wires, resistors, LEDs, etc. |
| Activated Carbon Filter | Joom | Generic | 1 | 5–10 | Improves taste |
| Microcontroller (ESP32 DevKit V1) | Joom | Espressif | 1 | 5–10 | Main controller |
| Charger (3S 12.6 V / 2 A) | Joom | Generic | 1 | 5–10 | External battery pack charger |
| Total Components | - | - | 22 items | - | All required parts |
Project Plan
The project was structured across eight sprints, preceded by a pre-work phase dedicated to topic selection and initial setup. Each sprint spans approximately one week, running from early March to late June 2026. The project management was handled using Jira, where all tasks were tracked and assigned across the team. The Gantt chart above provides a visual overview of the planned timeline, grouping activities by sprint and category. The pre-work phase covered foundational scrum activities such as stand-ups, retrospectives, and sprint demos, as well as general activities including assigning roles. Sprint 1 focused on initial research, documentation, and structural work. Subsequent sprints progressively addressed design, prototyping, coding, and testing. The final sprints are dedicated to the interim and final reports, functional tests, packaging solutions, and multimedia deliverables such as the video flyer and poster. This iterative approach allowed the team to review progress regularly through retrospectives and adapt the backlog accordingly, ensuring continuous alignment with project goals.
Figure 5 shows a timeline/backlog with EPICS in JIRA. Some timeline start and end dates are not visible, as those user stories have either not started yet or have already been completed. The team aligned the dates in JIRA with the deliverable deadlines.
Figure 6 and Figure 7 are the same concept but this is a Gantt chart done using Excel.
Document the project schedule, and the key project phases, using a Gantt Chart. Highlight the key project phases and milestones.
Gantt Chart and Key Project Phases
The project timeline spans from late February 2026 to late June 2026, structured across eight iterative sprints. The Gantt chart above illustrates the full schedule, with tasks grouped by sprint and color-coded by category to reflect their nature and status.The project was divided into five key phases:
- Pre-work and Setup (Feb 28 – Mar 5): This phase covered project selection, initial scrum setup, role assignment, and backlog definition. The first milestone was submitting the top-3 project proposals by February 28.
- Research and Documentation (Sprint 1–2, Mar 5–19): The team conducted research on water quality and filtration, produced the black box system diagram and structural drafts (milestone: March 11), and compiled the initial list of components and materials (milestone: March 18).
- Design and Intermediate Deliverables (Sprint 3–4, Mar 19 – Apr 16): This phase focused on detailed system schematics, structural drawings, cardboard modelling (milestone: March 25), the Gantt chart and sprint plan publication (milestone: March 21), and culminated in the Interim Report and Presentation submission (milestone: April 12) and the Interim Presentation event (milestone: April 16).
- Prototyping and Development (Sprint 5–6, Apr 16 – May 27): Following interim feedback, the team worked on the 3D model video (milestone: April 22), the final materials list (milestone: April 29), the refined interim report (milestone: May 2), backend and frontend coding, ESP32 integration, agent connectivity, and packaging solutions (milestone: May 13). Functional tests were concluded and uploaded by May 27.
- Final Deliverables and Presentation (Sprint 7–8, Jun 1–25): The team produced the final report, paper, video, poster, and manual (milestone: June 13), delivered the final presentation and individual assessment (milestone: June 18), submitted all corrected and refined deliverables (milestone: June 23), and demonstrated the working prototype to the client (milestone: June 25).
Mapping the Plan to Iterative Sprints
Describe how your plan was mapped to multiple iterative sprints.
The project was managed using agile Sprint framewrok, with each week being a new sprint. Each sprint followed a consistent structure: a sprint planning session at the start, daily stand-ups throughout, and a retrospective and sprint demo at the end. This iterative approach allowed the team to regularly assess progress, incorporate feedback, and adjust priorities accordingly
The backlog was defined during the pre-work phase and browking into each sprint. Each sprint had a clear goal and aligned millestones.
Document how the sprint backlog was planned and managed for each of the sprints you have created in Planner.
The backlog was managed using Jira only. At the beginning of each sprint, the team sits down and plans the tasks based on priority and the upcoming milestones. Each taks then gets assigned to a member and tagged with its epic.
Tasks then get moved to either In progress, InReview or done. Incomplete tasks at the end of a sprint were reviewed and either carried over or re-prioritized in the following sprint.
Describe how prioritization was done.
Document how the estimation process was implemented, and any underlying challenges.
Sprint Overviews
Sprint 1: Foundation & Research
Period: March 5, 2026 – March 12, 2026
Sprint 8 was characterized by a heavy “Discovery” phase. The team focused on setting up the technical environment (TRAQ-43) and conducting deep-dive research into water quality and filtration systems. Because this was the inaugural sprint, a significant amount of time was spent refining the backlog and defining the complexity of the Interim Report. The team considered a total of 40 story points.
Key work streams Environmental Setup: Establishing the Scrum framework and project architecture. Technical Research: Analyzing water levels and filtration logic (TRAQ-11 through 14). Documentation: Initial drafting of the Background and Related Work sections for the interim report.
Sprint 2 Cor Development and Reporting
Period: Thursday, March 12th – Wednesday, March 19th, 2026
Sprint 9 followed a Thursday-to-Wednesday cycle. This schedule proved challenging this week due to a school trip on Friday, followed immediately by the weekend. This resulted in an unavoidable “stagnation period” at the very start of the sprint where no points could be burned down.
Sprint 3 Strategic Completiong & Prototyping
Period: March 19th, 2026 – March 26th, 2026
Narrative Summary Sprint 10 marked a transition from theoretical research to tangible outputs. The team successfully cleared the “documentation backlog” by finalizing heavy-weight chapters of the Interim Report. Simultaneously, the project moved into the design and physical modeling phase, with the creation of structural drawings and a physical cardboard model to validate the system's dimensions.
Technical Learning Point The team identified a discrepancy in how Story points are calculated when sub-tasks remain open. Moving forward, the Definition of Done (DoD) has been updated to ensure all granular tasks are closed before the parent Story is moved to “Done” to maintain burndown accuracy.
Sprint 4: Interim Presentation and Interim Report
Period: March 26th, 2026 – April 1st, 2026
Sprint Goal: Finish up the Interim Report.
Sprint 11 was the final push toward a major project milestone. The team's efforts were almost entirely dedicated to consolidating research and development into the Interim Presentation and finalizing the core technical chapters of the report. This sprint confirmed the total unviability of the “Thursday-start” schedule, as the pressure to deliver high-point items was concentrated entirely into the final two days of the cycle.
Sprint Outcomes
Sprint Evaluations
This section evaluates the effectiveness of each sprint by reflecting on what went well and what could be improved. It includes insights into challenges faced, team performance, and lessons learned to optimize future sprints.
The teams' first retrospective 12 underlined a few issue, the teams' different education backgrounds and spead, the teams' general workload, and the main idea being lost. To fix this the team decided to book a 1-hour meeting where everyone spoke for 5 min and said where they think the project should head. This helped us find common ground. Other conclusions regarding speed and workload: the team decided to meet more often to spread the workload fairly through the team.
The teams' second retrospective 13 underlines less issues then the first sprint. The team also wrote what they will be improving inside the retrospective.
Retrospective 14 mentions 3 main issues: sometimes it can be hard to define an equal amount of work for the team, some members being late, and lastly, some members still not being exactly familiar with the Scrum environment. The team decided to arrange a meeting where they would go over Scrum again and also to have longer sprint planning to properly define workload. General progress is still going good.
Retrospective 15 was the retrospective before the start of the vacation. The team now is getting ready for their interm report. No major issues faces the team will contact directly teachers regarding certain documents.
Summary
Marketing Plan
Introduction
This chapter presents the marketing strategy for TRAQUA, based on insights derived from the market analysis. It outlines the key decisions required to successfully introduce the product to the market. The chapter includes the Business Model Canvas, SWOT analysis, strategic objectives, segmentation and targeting, positioning, and the marketing mix (4Ps). It also addresses branding, budgeting, and control mechanisms to ensure effective implementation and performance evaluation.
Business Idea Formulation
Before approaching potential customers or developing prototypes, it is important to clearly define and refine the value proposition of the proposed solution. The goal is to ensure that the concept addresses a real user problem while delivering a meaningful benefit. For the TRAQUA project, the business idea focuses on improving both the safety and the consistency of daily hydration. Many health-conscious individuals regularly use reusable water bottles however, they are often unaware that these containers can accumulate bacteria if they are not cleaned frequently [28]. At the same time, many people struggle to maintain a consistent hydration routine throughout the day. TRAQUA addresses these challenges by combining bottle sanitization technology with hydration monitoring in a single integrated system.
The proposed solution is a smart bottle equipped with an Integrated Smart Base that includes UV-C LEDs and TDS sensors. The UV-C technology automatically sterilizes the interior of the bottle, eliminating biological contaminants that may develop over time. Meanwhile, the sensors monitor water purity, ensuring that the stored water remains safe for consumption. By automating the sanitization process, the system removes the need for users to manually clean the bottle as frequently and provides additional confidence in the safety of the drinking environment.
In addition to improving hygiene, the TRAQUA Smart Bottle supports users in maintaining healthier hydration habits. The bottle connects to a mobile application that provides hydration tracking, reminders, and personalized feedback. Through gamified features and visual progress indicators, the application encourages users to meet their daily hydration goals and build more consistent habits. Although several smart bottles and simple hydration trackers are already available on the market, most of them focus primarily on measuring water intake. In contrast, TRAQUA differentiates itself by addressing both bottle hygiene and hydration behavior. By ensuring that the container remains sterile while also supporting user engagement through digital features, the solution offers a more comprehensive approach to safe and consistent hydration.
Business Model
To visualize and analyze how TRAQUA creates, delivers, and captures value, the team developed a comprehensive Business Model Canvas. This strategic tool illustrates the alignment between our technical innovation and the market’s demand for reliable hydration and hygiene solutions. Figure 16 shows the business model.
After presenting the Business Model Canvas, a detailed analysis is provided to explain how each component contributes to the overall functioning of the TRAQUA business model. This description is essential to demonstrate the logical connections between key elements such as value creation, customer segments, and revenue streams. By analyzing these components, the team highlights how TRAQUA effectively delivers value to its target users while ensuring economic viability. Furthermore, this breakdown allows for a clearer understanding of the strategic decisions behind the product, supporting the alignment between technological innovation, market needs, and sustainability considerations.
Key Partnerships
The project relies on a network of Key Partnerships to ensure both technical quality and market readiness. We collaborate with specialized hardware suppliers who provide the sensors and microchips required for our production line. Beyond the supply chain, Academic Mentors act as primary supervisors, offering the technical and strategic guidance needed to transition from a prototype to a viable product.
Universities also play a critical role in our development strategy as the main setting for the pilot stage. By providing the TRAQUA Smart Bottle to students, we can collect real-world data and user feedback. This phase allows us to evaluate system performance in a high-activity environment and refine the Hydration Coaching algorithms before a full-scale commercial launch.
Key Activities and Resources
The operational success of TRAQUA is driven by several Key Activities, including intensive research and development to optimize UV-C pathing and app development to ensure a seamless user experience. Part assembly and quality control are essential to our production process, ensuring each unit meets safety standards.
To support these activities, we rely on Key Resources such as specialized hardware (sensors, UV-C, and microcontrollers), prototyping tools and equipment, and knowledge related to our water-purity algorithms.
Value Creation and Delivery
The Value Propositions block highlights our differentiation through active sterilization and real-time water purity validation. Unlike passive containers, TRAQUA adds value by eliminating the need for manual cleaning and providing objective data on water quality. In addition, the Hydration Coaching feature encourages consistent hydration by reminding users to drink throughout the day.
This value is delivered to our primary customer segment active students, young adults, and health enthusiasts through an omnichannel strategy. This includes direct-to-consumer sales via our official website and partnerships with major e-commerce platforms such as Amazon. The product will also be available in premium retail stores targeting athletes and consumers who prioritize high-quality health technology and are willing to pay for verified performance.
Value Capture
TRAQUA captures value through a diversified revenue model. While primary sales of the physical bottle generate immediate income, a premium app version introduces a recurring revenue stream. This model is balanced against a cost structure focused on high-quality manufacturing, including production and assembly, as well as software and operational expenses related to maintaining our digital ecosystem.
Together, these elements ensure that the business remains sustainable as it scales from a university pilot to the broader consumer market.
Market Analysis
To gain a thorough understanding of market dynamics, customer needs, and the external factors influencing the success of the project, conducting a market analysis is essential. This process enables the team to view the market as a continuously evolving environment, ensuring that the TRAQUA bottle remains relevant and competitive.
Our analysis is divided into two main categories: macro-analysis and micro-analysis. Considering both perspectives improves the effectiveness of the organization’s marketing strategy and supports the long-term development of the brand. Continuous evaluation of these factors is also crucial to ensure that the organization is not negatively impacted by emerging internal or external forces [29].
Macro Analysis
Macro-analysis examines broader social forces — commonly referred to as PESTEL factors — that influence the entire business environment.
- Political/Legal – Government regulations and legal frameworks influence business operations. TRAQUA must comply with safety standards related to UV-C technology and data protection laws for its app ecosystem.
- Economic – Economic conditions, including income levels and consumer spending patterns, affect purchasing power. TRAQUA targets consumers willing to pay a premium for high-quality, durable health technology. However any changes in economic conditions and consumer spending patterns may reduce demand for premium-priced products.
- Social/Cultural – Social trends and cultural values shape consumer behavior. The growing focus on health, wellness, and sustainability creates a strong opportunity for a reusable, technology-enabled hydration solution [30].
- Technological – Advances in sensor technology enable TRAQUA to innovate by offering features such as Hydration Coaching and real-time water quality monitoring.
- Environmental – Environmental concerns relate to resource use and ecological impact. TRAQUA addresses the need to reduce single-use plastic waste by promoting a sustainable and reusable product [31].
Micro Analysis
Micro-analysis focuses on the forces close to the company that directly affect its ability to serve customers.
- Suppliers – Partners who provide the resources necessary to produce our product. These include hardware suppliers specializing in the production of sensors and microchips used to measure and support the bottle’s key features. Examples of such suppliers include companies like Mouser Electronics, Farnell, and Digi-Key, which offer a wide range of components required for prototyping and production.
- Customers – Individuals who purchase the product for personal use. Our primary segments include active students, young adults, and health enthusiasts who prioritize proper hydration and a healthy lifestyle.
- Competitors – A comparison of existing products is presented in Table 2 . Currently, no single product combines all of TRAQUA’s features, which creates an opportunity for competitive advantage.
- Resellers – Intermediaries who help promote, sell, and distribute TRAQUA products to final consumers. These may include online platforms and retail partners such as Amazon, specialized tech retailers, and premium lifestyle stores that focus on innovative and health-related products.
- Publics – Groups that have an interest in or impact on the organization: (i) Academic mentors, who provide technical and strategic guidance, supporting the transition from prototype to a market-ready product, (ii) Universities, which act as a key local public and serve as the primary environment for the pilot stage, and (iii) Influencers, particularly in the health, fitness, and lifestyle sectors, who can shape public perception and support brand awareness through digital communication.
SWOT Analysis
The SWOT analysis (17 allows the team to evaluate the internal Strengths and Weaknesses of the TRAQUA project alongside the external Opportunities and Threats present in the dynamic health-tech environment.
Internal Factors
Strengths:
- Technological Innovation: The integration of UV-C sterilization with high-precision sensors provides a solution not currently available in the standard bottle market, giving Traqua a strong competitive advantage.
- Integrated Ecosystem: Features such as Hydration Coaching and gamification enhance the user experience and help build long-term customer loyalty.
- Strong Value Proposition: The combination of real-time water purity validation and active sterilization delivers clear functional value, differentiating Traqua from traditional reusable bottles.
Weaknesses:
- Price Sensitivity: The high cost of specialized sensors and microchips increases the final product price, which may discourage price-sensitive consumers compared to simpler, low-cost alternatives. Additionally, production costs may fluctuate due to external factors such as fuel prices, supply chain disruptions, and global economic conditions, which can further impact the final pricing strategy and profitability.
- Operational Complexity: Dependence on advanced hardware and ongoing software maintenance increases production complexity and places higher demands on quality control and technical support.
- Limited Brand Awareness: As a new product, TRAQUA may initially struggle to build trust and recognition in a competitive market dominated by established brands.
External Factors
Opportunities:
- Growing Health and Sustainability Trends: Increasing awareness of health, hydration, and environmental issues is driving demand for reusable and technology-enhanced products, particularly among younger consumers.
- Pilot Integration with Universities: Using universities as testing environments enables efficient data collection, product refinement, and early adoption within a key target segment. This approach is also cost-effective, as it allows the team to conduct real-world testing and marketing activities at relatively low cost and risk. By leveraging existing academic networks and infrastructure, TRAQUA can validate its product and business model before committing to large-scale market entry.
- Expansion of Smart Technology Market: The rising popularity of smart devices creates opportunities for TRAQUA to position itself within the broader health-tech ecosystem.
Threats:
- Rapid Technological Change: Fast-paced advancements in technology require continuous updates to both hardware and software. Failure to keep up may result in product obsolescence.
- Economic Uncertainty: Changes in economic conditions and consumer spending patterns may reduce demand for premium-priced products.
- Increasing Competition: Established brands or new entrants may introduce similar features at lower prices, reducing TRAQUA's competitive advantage over time.
Strategy
An effective marketing strategy is essential for connecting a company’s product with its target audience and ensuring long-term success. It involves understanding customer needs, analyzing market conditions, and developing coordinated actions that allow a business to achieve its objectives. Marketing strategies are not static, they must continuously adapt to changing market trends, consumer behaviour, and technological developments [32].
Strategic Objectives
The primary strategic objective of TRAQUA is to successfully introduce a smart hydration solution to the market and establish a clear competitive position within the health-tech industry. To achieve this, the project defines key goals across three critical pillars: economic, customer-oriented, and product-oriented.
Economic objectives focus on ensuring financial sustainability and long-term profitability:
- Revenue Generation - achieve steady revenue growth through the sale of the TRAQUA smart bottle and the introduction of a premium app subscription model.
- Cost Management - maintain cost efficiency in production and operations while ensuring high product quality.
- Profitability - reach break-even point within the early stages of market entry (after the pilot phase) and gradually increase profit margins.
Customer-oriented objectives focus on attracting, satisfying, and retaining users:
- Customer Acquisition - gain early adopters within the student and young adult segments through pilot programs and targeted marketing campaigns.
- Customer Satisfaction - deliver a high-quality product and user experience that meets expectations in terms of functionality, reliability, and ease of use.
- Customer Retention - build long-term relationships through app engagement, personalized hydration coaching, and continuous product improvements.
- Brand Awareness - increase brand recognition among target segments through consistent promotion and digital presence.
Product-oriented objectives relate to innovation, quality, and continuous improvement:
- Product Development - continuously enhance the smart bottle and mobile application based on user feedback and technological advancements.
- Innovation Leadership - maintain a competitive edge by improving features such as UV-C sterilization, sensor accuracy, and data analytics.
- Quality Assurance -ensure high standards of safety, durability, and performance through rigorous testing and quality control processes.
- User Experience Optimization - improve usability, design, and functionality to create a seamless and intuitive product experience.
Segmentation and Targeting
To effectively reach its audience, TRAQUA applies a segmentation strategy based on demographic, behavioural, and psychographic factors. This approach allows the company to better understand customer needs and tailor its offering accordingly.
- Demographic Segmentation: TRAQUA primarily targets young adults, particularly students and early-career individuals, who are more open to adopting new technologies and lifestyle-oriented products.
- Behavioural Segmentation: The product is aimed at consumers who actively monitor their health, use fitness or smart applications, and are interested in improving their daily habits, including hydration.
- Psychographic Segmentation: TRAQUA focuses on individuals who are health-conscious, environmentally aware, and value innovation, convenience, and modern design.
Based on this segmentation, TRAQUA adopts a focused targeting strategy, concentrating on:
- Active students
- Young adults
- Health enthusiasts
- Eco-Conscious Professionals
These consumers are more likely to invest in products that enhance their well-being and support a sustainable lifestyle.
Marketing Persona
To better represent the target audience, a marketing persona has been developed:
Name: Max
Age: 23
Occupation: University student
Lifestyle: Active and busy, regularly attending classes, working part-time, and engaging in fitness or outdoor activities
Behaviours: Uses mobile applications to track health and productivity, values convenience, and is open to adopting new technologies
Needs: A reliable and easy way to maintain proper hydration, ensure water safety, and reduce the effort associated with bottle cleaning
Values: Health, sustainability, efficiency, and modern design
This persona illustrates the typical TRAQUA user and helps guide product development, communication strategies, and marketing decisions.
Positioning
Positioning defines how TRAQUA is perceived in the minds of consumers relative to competing products. The objective is to establish a clear, distinctive, and desirable place in the market by emphasizing the product’s unique combination of features and benefits.
TRAQUA is positioned as a premium, high-technology smart bottle. Unlike traditional reusable bottles and basic smart bottles, TRAQUA offers a comprehensive solution by combining UV-C sterilisation, real-time water purity monitoring, and personalised hydration coaching within a single ecosystem. This positioning allows TRAQUA to differentiate itself from competitors by delivering a broader and more advanced set of features. While many existing products focus on only one function—such as hydration tracking or sterilization—Traqua integrates multiple capabilities, creating a more complete and intelligent user experience.
The perceptual map in Figure 18 is based on the products analyzed in Table 2, ensuring consistency between the comparative analysis and the visual positioning of competitors. The map visually represents TRAQUA’s position in relation to key competitors based on two dimensions: price and level of technology. On the horizontal axis, products are arranged from low to high technological complexity, while the vertical axis represents price from low to high. Traditional reusable bottles, such as Equa Smart and Ozmo Active, are positioned in the lower-left quadrant, reflecting their relatively low price and limited technological features. Mid-range smart bottles, such as HidrateSpark, offer more functionality but remain moderate in both price and technology. Premium competitors like LARQ and Aqua Vault are located in the upper-right area of the map, indicating higher prices and more advanced features, particularly in sterilization technology. However, TRAQUA is positioned further along the technology axis and slightly below the highest-priced competitor, highlighting its more advanced and integrated functionality while maintaining a relatively more accessible price point.
This positioning reinforces TRAQUA’s strategy of differentiation through innovation rather than price competition. By offering a unique combination of features within a single product, TRAQUA targets consumers who prioritise quality, performance, and long-term value. The perceptual map clearly illustrates that TRAQUA occupies a distinct position in the market, delivering the highest level of technological integration while remaining competitively priced within the premium segment.
Marketing-Mix
The marketing mix is a fundamental framework used to implement marketing strategy by combining key controllable elements that influence consumer response. It consists of four main components - Product, Price, Place, and Promotion - which must be carefully coordinated to meet customer needs and achieve organizational objectives [33]. For TRAQUA, the marketing mix is designed to support its positioning as a premium, technology-driven hydration solution and to create a strong competitive advantage in the market.
Product
The core product is the TRAQUA smart bottle, which integrates advanced features such as UV-C sterilization, real-time water purity monitoring, and a connected mobile application offering hydration tracking and coaching. The product strategy focuses on:
- Advanced technological functionality
- User-friendly interface and seamless app integration
- Sustainability through reusability and reduced plastic waste
In addition to the physical product, the digital ecosystem (mobile app and premium features) enhances the overall value proposition, transforming TRAQUA from a simple bottle into a comprehensive health-support tool.
Price
TRAQUA adopts a premium pricing strategy, reflecting its advanced technology, innovation, and added value compared to traditional bottles. The pricing strategy is based on:
- Value-based pricing – aligning price with perceived benefits (health, safety, convenience)
- Competitive positioning – remaining within the premium segment while still being more accessible than the most advanced competitors
- Revenue diversification – combining product sales with steady revenue from a premium app subscription
This approach reinforces the brand’s high-quality image while ensuring long-term financial sustainability.
Place
The distribution strategy focuses on making the product easily accessible while maintaining its premium positioning. TRAQUA will be distributed through:
- Direct-to-consumer channels (official website)
- E-commerce platforms (e.g., Amazon)
- Selective retail outlets, particularly premium and sports-oriented stores
Additionally, the university pilot program plays a key role in early distribution, allowing the product to reach its primary target audience and generate initial market traction. This multi-channel approach ensures both availability and brand control.
Promotion
The promotion strategy is designed to increase brand awareness, inform potential customers, and clearly communicate the product’s unique value.
Key promotional activities include:
- Collaborations with influencers in the fitness, health, and lifestyle sectors
- Social media marketing targeting students and young adults
- University-based campaigns during the pilot phase
- Digital advertising and content marketing highlighting health, innovation, and sustainability
The communication strategy emphasizes:
- The benefits of clean and safe water
- The convenience of smart hydration tracking
- The environmental impact of reusable solutions
This integrated promotional approach ensures consistent messaging and strong engagement with the target audience.
Brand
The TRAQUA brand is designed to clearly communicate the product’s core value: combining advanced technology with everyday hydration. Both the name and visual identity play a key role in reinforcing this positioning and creating a strong connection with the target audience.
Brand Name and Logo
The name TRAQUA is a strategic combination of the words “Track” and “Aqua,” reflecting the brand’s dual focus on technology and water.
- Track represents the monitoring aspect of the product, including hydration habits, user goals, and real-time water quality analysis. It highlights the dynamic and continuous interaction between the user and the product through data and feedback.
- Aqua emphasizes the core function of the product - water. It reinforces the brand’s focus on purity, safety, and hydration, as well as the key feature of active sterilization.
Together, the name communicates a clear and memorable message: a smart solution that combines hydration with intelligent tracking. The logo can be seen in Figure 19.
Flyer
The TRAQUA flyer is a strategic visual element designed to communicate the brand’s identity and highlight the product’s technological capabilities through a clear and intuitive layout. It helps translate complex technical features into a user-friendly message, making the product more accessible to potential customers.
The slogan, “Know your water. Trust your bottle.”, serves as the central message of the flyer. It reflects the brand’s mission by combining two key aspects: data-driven insight through water quality monitoring and a sense of safety ensured by sterilization. This reinforces TRAQUA's focus on reliability and user trust.
The flyer also uses a callout system to present the main product features. Elements such as the integrated UV-C base for self-cleaning and the mineral tracking system for real-time validation are clearly highlighted, helping users understand how the technology is embedded in the product.
In addition, the inclusion of App Store and Google Play icons, along with Bluetooth connectivity, emphasizes the digital ecosystem surrounding the product. This communicates that TRAQUA is not only a physical product but also a connected solution supported by a mobile application. Finally, the presence of institutional logos such as ISEP and P.PORTO strengthens the credibility of the project, indicating its academic background and connection to research and technical expertise. Figure 20
Marketing Programmmes
Programmes
1. University Pilot Programme
The university pilot programme serves as the initial market entry strategy. TRAQUA bottles will be introduced within selected universities, allowing students to test the product in a real-life environment. This programme aims to:
- Generate early adoption among the target audience
- Collect user feedback for product improvement
- Build brand awareness through direct experience
This approach reduces risk while validating both the product and the business model.
2. Social Media Campaigns
Social media platforms will be a primary communication channel, especially for reaching younger audiences. Campaigns will focus on visually engaging and informative content. Key actions include:
- Posting content related to hydration, health, and daily habits
- Demonstrating product features and benefits
- Sharing user experiences and opinions
- Running targeted advertisements to increase reach
The goal is to create engagement, build a community, and strengthen brand visibility.
3. Product Launch Campaign
A coordinated product launch campaign will be implemented to introduce TRAQUA to the wider market after the pilot phase. Key elements include:
- Launch events or online announcements
- Limited-time offers
- Promotional bundles (e.g., bottle + premium app trial)
This programme aims to create initial demand and accelerate market penetration.
4. Influencer Marketing Programme
TRAQUA will collaborate with influencers in the fitness, health, and lifestyle sectors to promote the product. This programme includes:
- Product reviews and demonstrations
- Integration into daily routines (e.g., gym, study, travel)
- Authentic content that highlights real-life usage
Influencers help build credibility and trust, especially among younger consumers.
Budget
As part of its growth strategy, TRAQUA plans to expand its promotional activities across multiple European markets. The marketing approach will be localized, meaning that campaigns will be adapted to each country’s culture, language, and consumer preferences. A key element of this strategy is the selection of country-specific influencers and public figures, particularly those connected to fitness, health, and lifestyle. By collaborating with well-known local personalities, TRAQUA can increase credibility, relevance, and audience engagement in each market.
For the German market, TRAQUA could collaborate with:
- Pamela Reif – a highly popular fitness influencer known for promoting a healthy lifestyle and reaching millions of young users.
- Joshua Kimmich – a professional athlete whose image aligns with performance, discipline, and health.
These partnerships would allow Traqua to connect with both fitness-oriented audiences and mainstream consumers, strengthening brand trust and visibility.
To illustrate this approach, a sample budget is presented for the German market, one of the largest and most health-conscious markets in Europe. Table 5 …
| Item | Cost (€) | Explanation |
| Social Media Advertising | 3000 | Targeted ads on Instagram, TikTok, and Google to reach young adults |
| Influencer Collaboration | 5000 | Partnership with fitness/lifestyle influencers |
| Athlete Partnership | 5000 | Collaboration with a well-known athlete to build credibility |
| Launch Campaign | 2500 | Online launch event, discounts, and promotional bundles |
| Content Creation | 1500 | Production of high-quality visuals and promotional materials |
| Total | 17000 | Total estimated budget for Germany market entry |
Control
To ensure that TRAQUA’s marketing strategy is effectively implemented and continuously improved, we decided to apply the PDCA (Plan-Do-Check-Act) cycle. This approach provides a structured method for monitoring performance, evaluating results, and making necessary adjustments.
Plan
In the planning phase, TRAQUA defines its marketing objectives, strategies, and key performance indicators (KPIs). These include targets related to sales, customer acquisition, brand awareness, and user engagement. Correct numbers, percentages, etc., according to International System of Units. Key targets include:
- Achieving 1000 – 2000 units sold within the first year
- Reaching 500 – 1000 users during the university pilot phase
- Growing to 3000 + users after market launch
- Building 5000 – 10000 social media followers
- Maintaining 60 – 70 % customer retention rate
- Ensuring 40 – 50 % weekly active app users
Clear benchmarks are established to measure success, such as expected growth in users, revenue generation, and app activity levels.
Do
In this phase, the planned marketing activities are implemented. This includes executing marketing programmes such as:
- University pilot campaigns
- Social media and digital marketing
- Influencer partnerships
- Product launch initiatives
The goal is to deliver the strategy as designed and reach the defined target audience effectively.
Check
This phase focuses on monitoring and evaluating performance by comparing actual results with planned objectives. Key performance indicators include:
- Sales volume and revenue (target: 1000 – 2000 units/year)
- Customer acquisition rate (target: steady monthly growth)
- Customer retention rate (target: 60– 70 %)
- Social media engagement (likes, shares, follower growth)
- Website traffic and conversion rates
- App usage metrics (target: 40 – 50 % weekly active users)
Data is collected and analyzed regularly to assess the effectiveness of marketing activities and identify any gaps or issues.
Act
Based on the evaluation, corrective actions are taken to improve performance. This actions may involve:
- Adjusting marketing campaigns or communication strategies
- Refining pricing or promotional offers
- Improving product features based on customer feedback
- Modifying targeting or distribution channels
This phase ensures that the strategy remains flexible and responsive to market changes.
By applying the PDCA cycle, TRAQUA ensures a process of continuous improvement. This allows the company to adapt to evolving customer needs, technological developments, and competitive pressures, ultimately supporting long-term success.
Summary
The market analysis provided a comprehensive understanding of both the micro- and macro-environment in which company will operate. It highlighted key trends such as increasing health awareness, the growing demand for sustainable products, and rapid technological advancements in the smart consumer goods sector.
Based on this market and economic analysis, the team decided to develop a smart hydration bottle with integrated UV-C sterilization and real-time water quality monitoring, targeted at health-conscious consumers, active students and young adults. This decision is supported by the rising demand for innovative, sustainable, and health-focused solutions, as well as a clear gap in the market for a product that combines hygiene, hydration tracking, and smart features. Consequently, the proposed solution incorporates key features driven by market needs, including active sterilization, real-time purity validation, hydration coaching, and mobile application integration. These elements respond directly to consumer expectations for convenience, safety, and sustainability, while also providing a strong competitive advantage.
The findings of this chapter not only justify the strategic direction of the product but also highlight the growing importance of sustainability as a key decision factor for consumers. Therefore, the following chapter focuses on eco-efficiency measures, examining how TRAQUA can minimize its environmental impact while maintaining high performance and long-term value.
Eco-efficiency Measures for Sustainability
Sustainability is a widely used concept that is applied by companies, organizations and politicians in various contexts. This chapter deals with specific measures to minimize the environmental footprint. An overview of the most important aspects of sustainable development and eco-efficiency. The eco-efficiency measures for sustainability provide a foundation for understanding our environmental responsibility and resource efficiency.
Introduction
Throughout history, geo-resources have played a fundamental role in enabling technological progress and economic development by providing the raw materials required for infrastructure, products, and innovation. However, the increasing intensity of resource extraction and consumption has led to significant environmental degradation, including pollution, ecosystem disruption and growing resource scarcity. In the context of the accelerating climate crisis, there is an urgent and rising need to rethink how products are designed, produced, used and disposed of. Technological solutions, particularly those involving electronic components, contribute not only to societal benefits but also to lifecycle emissions and material demands, making sustainable engineering more important than ever.
Sustainable engineering aims to address these challenges by balancing environmental protection with economic viability and social well-being. It is therefore grounded in the three pillars of sustainability: environmental responsibility, economic performance, and social equity. This idea is aligned with the 17 Sustainable Development Goals (SDGs) established by the United Nations, which provide a global framework for coordinated climate action. Addressing climate change requires not only large-scale systemic transformations but also many small improvements, innovative technologies, and incremental design decisions that collectively reduce environmental impacts and support more resilient consumption patterns.
Within this broader context, technological innovations such as smart consumer products like TRAQUA can play a meaningful role. Consequently, this chapter examines sustainability from a general and holistic perspective in relation to TRAQUA. First, the relevant SDGs connected to the product are introduced. Subsequently, sustainability is analysed in detail from the environmental, economic, and social perspectives. Finally, a Life Cycle Assessment (LCA) of TRAQUA is conducted to systematically evaluate its environmental impacts throughout the entire life cycle, thereby identifying potential hotspots and opportunities for improvement.
UN Sustainable Development Goals
Table 6 lists the UN Sustainable Development Goals associated with the smart water bottle.
Environmental
The environmental influence of products is of high importance in many aspects such as by depleting natural resources or emitting greenhouse gases. Concerning the product, it is important to try to reduce negative influences on the environment. This is achieved by reducing, reusing and recycling raw materials; taking into consideration the energy consumption in all phases of the project, as well as by minimizing transport.
The environmental impact of the smart bottle concept can be understood on two main levels. On the one hand there is the influence of the user’s behavior and on the other hand the ecological footprint of the product itself.
On the behavioral level, the product aims to encourage people to change their purchase behavior, moving away from single-use or PET bottles, and buy TRAQUA. There are several reasons consumers provide for preferring bottled water over tap water. Some see it as the only option for clean water, for some it is a symbol of status and the modern lifestyle, for others it is simply more convenient, handier, or tastier than tap water [34]. TRAQUA faces these reasons to increase users’ confidence in drinking tap water by providing hygiene support and transparency about bottle cleanliness. In particular, people who do not use standard reusable water bottles due to concerns about the quality of tap water become carefree through the smart bottle and change their consumption habits. This can reduce the perceived need to purchase bottled water in single-use or even additional reusable containers.
Over time, this behavioral change can lead to significant reductions in plastic waste. Per-capita consumption of bottled water has been increasing continuously and represents the fastest-growing segment within the packaged beverage industry, with projected annual growth rates of around 10 % up to 2026 [35]. The majority of bottled water is distributed in PET plastic containers, which contribute to environmental impacts throughout the entire product lifecycle, including raw material extraction, production, transportation, and waste management. Plastic bottles require a lot of energy to manufacture, require a complex transportation infrastructure, and are difficult to recycle and clean. They are partly responsible for plastic pollution in the oceans. Carbon dioxide equivalents (CO2 eq) are used to measure a product’s environmental impact. This allows for a comparison of the impact of various products on the greenhouse effect; to this end, all greenhouse gases emitted during the life cycle are quantified based on their environmental impact. The greenhouse gas emissions over the life cycle of a 500 ml PET water bottle amount to 3.87 kg CO2 eq [36].
If, for example, a person typically consumes one single-use plastic bottle per day, switching entirely to tap water could prevent the use of more than 700 plastic bottles over two years. This demonstrates how improved trust in local drinking water and bottle hygiene can contribute to more sustainable consumption habits.
On the product level of TRAQUA, sustainability is addressed through material and design choices.
A reflective material is required for UV cleaning. Theoretically, aluminum, stainless steel, and Polytetrafluorethylen would be suitable options. Teflon was ruled out due to health risks and carcinogenic substances. Since steel is heavier and more expensive than aluminum, and aluminum reflects light better due to its surface properties, aluminum was chosen. For reasons of weight and durability, plastic is used for the outer bottle The use of recyclable aluminium and selected plastics supports circular resource use and reduces environmental impact at the end of the product’s lifecycle. The system is designed with durability in mind, including long-lasting technical components and a battery with sufficient lifespan. Modular construction allows critical parts such as filters or electronic components to be replaced individually, extending the overall product lifetime.
A common reason for replacing conventional reusable bottles is the buildup of dirt or microbial contamination over time. By integrating active hygiene support such as UV-based cleaning, the product can reduce this issue and encourage longer use. This contributes to waste prevention by lowering the frequency of product replacement.
Additional environmental benefits can be achieved through local manufacturing and local distribution strategies. Producing and marketing the product regionally can reduce transportation distances, associated emissions, and packaging requirements. Finally, designing the product for disassembly and recyclability supports responsible end-of-life management and resource recovery. Together, these behavioral and technical sustainability measures contribute to a solution that not only reduces plastic waste but also promotes long-term environmentally responsible usage of TRAQUA.
Economical
The economic aspect of sustainability relates to the efficient and cost-effective utilization of resources, aiming to minimize environmental impact while ensuring long-term economic viability. The goal is to strike a balance between environmental responsibility and financial success by devising products, processes, and business models that are both ecologically and economically advantageous. Thus, the sustainable economy focuses on the responsible management of economic, social, and environmental resources to support the well-being of current and future generations. The goal of economic sustainability is to achieve economic growth without making the negative environmental trade-offs that traditionally occur. It also means that the price of the product matches the time the product fulfils its purpose.
Economic sustainability in the TRAQUA concept focuses on creating a balance between economic growth, long-term user value, and ecological benefits. The product is designed to deliver financial advantages to both consumers and producers while supporting more sustainable consumption patterns.
One important factor is the long lifespan of the product. By using durable materials and integrating repairable and replaceable components, the bottle can remain functional for many years. This reduces the need for frequent replacements and lowers the total cost of ownership for users. Repairability also supports local service opportunities and reduces economic losses associated with early product disposal.
From a cost perspective, the product can be competitive when compared to regular bottled water consumption. For example, TRAQUA will be priced at around 100 € can replace the use of approximately 700 single-use plastic bottles over two years, depending on individual drinking habits. This represents not only an environmental benefit but also potential financial savings for consumers over time.
Local production and local selling strategies can further strengthen economic sustainability. Selling through regional retailers as well as online platforms supports local economies, reduces transportation costs, and increases product accessibility. At the same time, it allows companies to build closer relationships with customers and respond more effectively to market needs.
Social
Social sustainability is about identifying and managing business impacts, both positive and negative, on people. It refers to the ability of a project or initiative to foster positive and inclusive social interactions while considering the long-term effects on society. The social aspect of sustainability deals with the community, education, equality, justice, social resources, health, well-being, quality education and quality of life. The product TRAQUA meets those social aspects.
Smart hydration solutions can improve everyday life by removing the need to regularly buy and carry single-use plastic bottles, allowing consumers to gain greater flexibility and independence in their daily routines. By relying confidently on tap water, users can hydrate wherever they are without planning purchases in advance or transporting heavy bottles. This supports more convenient, mobile lifestyles while reducing everyday stress related to access to safe drinking water.
Integrated hygiene support also reduces the effort required to manually clean reusable bottles, leading to time savings and more consistent usage. Filtration features can help maintain a pleasant taste. At the same time, social sustainability requires acknowledging potential challenges. Safety concerns related to technologies such as UV-C disinfection and integrated electronics must be carefully addressed through responsible engineering design, as discussed in the engineering ethics chapter. In addition, the price of a smart bottle is likely to exceed that of a conventional reusable bottle, which means that not all users will be able to afford it despite efforts to keep the product relatively accessible.
Through tracking functions, users can better monitor their drinking behavior and stay aware of their hydration levels. This is particularly beneficial for individuals who struggle to drink enough due to busy schedules or health-related challenges, as reminders and feedback can support healthier routines and strengthen awareness of their body’s needs. This can improve overall well-being and support more conscious self-care in everyday life. Inclusivity is also an important social aspect. Features such as voice control or simple feedback signals can make the product more accessible for visually impaired users or people with different levels of technological familiarity.
Compared to conventional tap water use without additional treatment, hygiene and filtration functions can increase perceived safety and comfort. At the same time, avoiding bottled water reduces potential exposure to microplastics and contributes to a higher overall quality of life through more sustainable and health-conscious consumption habits.
Life Cycle Analysis
One crucial task is to assess how each stage of the life cycle contributes to the overall environmental impact. This analysis is typically aimed at prioritizing enhancements in products or processes and comparing various products for internal purposes. Life Cycle Analysis (LCA) is a method for evaluating the environmental impact of a service or product throughout its life cycle, from design to end-of-life management. LCA or life cycle assessment is an essential tool to support sustainable development decision-making, as well as to assess the potential environmental impacts of a product, material, process or activity.
The following graphic illustrates the circular economy approach and the steps in an LCA in figure 2.
Raw Material
Metal Components (Aluminium)
- Extraction of aluminium creates initial environmental impact through mining (using recycled aluminium)
- Aluminium is highly durable and recyclable, which reduces long-term resource consumption
Plastic Components (Container)
- They contribute to microplastic pollution and are more difficult to recycle (using recycled plastic)
Other components (battery, sensors, filter)
- Use of long-lasting materials lowers the need for frequent product replacement
- resource-intensive, involving rare earth elements and toxic chemicals
Manufacturing Process
- Aluminium: extremely high energy consumption during manufacturing, high melting point required, toxic fumes
- Plastic: less energy during production, high melting point required, toxic fumes
- Components: energy-intensive
Tansportation and Packaging
- Short transport routes from the raw product to the end of the bottle’s life cycle
- Keep the product as lightweight as possible to minimize transport costs and effort
- Transport by road and sea, not by air
- Focus on direct sales through local retailers and rely only minimally on online marketing
- Sustainable, reusable, and lightweight packaging materials and packaging designs that meet industry standards
Facilty
- Simple, step-by-step, user-friendly instructions for setting up the bottle
Function and use phase
- Encourages users to switch from bottled water to tap water, reducing plastic waste and transport emissions
- UV hygiene support increases confidence in reuse and extends product lifetime
- Hydration tracking can lead to behavioral change toward healthier and more sustainable consumption
- The filter must be replaced regularly
- Requires electricity for charging leads to a small ongoing environmental impact
Repair
- Replaceable filters and modular electronics allow maintenance without discarding the entire product
- Battery replacement can extend lifespan significantly
- Reduced cleaning effort due to hygiene functions encourages long-term consistent usage
Recycling
- Aluminium structure can be fully recycled, lowering lifecycle emissions
- Plastic can be recycled
- Electronics and battery must be separately collected and processed
- Battery recycling, discharging, thermal/chemical processing, separation into raw materials, reuse, circular economy
The table 7 presents the CO₂-equivalent emissions of the product across the different life cycle stages. The values should be understood as approximate screening results, as detailed primary data for all components were not available. Therefore, the electronic components were aggregated based on their total mass. For these components, as well as for the battery, datasets from the openLCA Nexus [37] were used. In general, average datasets for electronic components and material production from publicly available LCA databases were scaled according to component mass, which represents a common approach in early-stage life cycle assessments.
For the activated carbon filter, data from the EU Environmental Footprint Database provided by the European Commission Joint Research Centre were applied [38]. The values for the aluminium foil and the plastic bottle were taken from the German ÖKOBAUDAT database [39]. Furthermore, for the calculation of module C2 (transport), a transport distance of 1000 km by truck was assumed.
| Component / Material | A1-A3 Production [kg CO₂-eq.] | C2 Transport [kg CO₂-eq.] | C3 Waste management [kg CO₂-eq.] | D Recycling potential [kg CO₂-eq.] |
|---|---|---|---|---|
| Electronics assembly (157 g total) | 4.71 | 0.02 | 0.20 | -0.80 |
| Battery | 1.04 | 0.01 | 0.05 | -0.30 |
| Activated carbon | 0.06 | 0.002 | 0.02 | -0.03 |
| Plastic bottle | 0.60 | 0.01 | 0.10 | -0.25 |
| Aluminium foil | 3.189 | 0.001 | 0 | -2.103 |
| Total | 9.599 | 0.083 | 0.37 | -3.485 |
A screening life cycle assessment based on publicly available datasets indicates that the TRAQUA product has a cradle-to-grave carbon footprint of approximately 6–10 kg CO₂-eq, with aluminium components and electronic assemblies representing the dominant environmental hotspots. Compared to a single-use plastic bottle with 3.87 kg CO₂-eq, this value of approximately 6 kg CO₂-eq. may seem very low. One reason for this could be the only broad assessment of the values for electronic components. For these, there are hardly any clear data sources; instead, one must rely on general comparative values. Additionally, the transport routes differ, and it is difficult to predict exact data for transport. However, the 1000 km estimate is considered too low, particularly for electronics. One reason for the comparatively high value of the single-use bottle is that, due to filling and the higher weight, its transport has a greater impact on the CO₂-equivalence than that of empty bottles. It should be emphasized that this LCA is more of an estimate than a precise calculation.
When the actual process flows in TRAQUA are known and realized, a more systematic LCA could be developed.
Following the breakdown of CO₂ equivalents, we now turn our attention to energy. Here, too, energy consumption is broken down by LCA phase, with the sources corresponding to those of the CO₂ equivalents. No distinction is made between renewable and non-renewable energy, as this is not done in all of the databases used. The table 8 shows the energy consumption.
| Component / Material | A1-A3 Production [MJ] | C2 Transport [MJ] | C3 Waste management [MJ] | D Recycling potential [MJ] |
|---|---|---|---|---|
| Electronics | 71 | 0.20 | 2.5 | -8 |
| Battery | 12 | 0.10 | 0.8 | -3 |
| Activated carbon | 2.5 | 0.05 | 0.3 | -0.5 |
| Plastic bottle | 24 | 0.20 | 1.5 | -5 |
| Aluminium foil | 38.73 | 0.015 | 0 | -24.44 |
| Total | 148.313 | 0.565 | 5.1 | -17.9 |
Summary
Based on this sustainability analysis, the team chose durable and recyclable aluminium and plastices as the main structural materials, modular electronic components, replaceable filters, and a long-life rechargeable battery for the following reasons: to reduce resource consumption over time, enable repairability and material recovery, and support long-term behavioral change toward drinking tap water instead of purchasing bottled water. In addition, strategies such as local production and distribution were considered to minimize transportation-related emissions.
Consequently, the team decided to design a solution with a long product lifespan, easy component replacement and integrated hygiene. This can improve user-friendliness, support fluid intake tracking to promote sustainable consumption habits, and, thanks to the easy-to-disassemble design, improve recycling outcomes at the end of the product’s life cycle. These features aim to balance environmental impact during production with significant sustainability benefits during the use phase.
After examining TRAQUA from the perspective of sustainability, we now turn to the ethical and deontological perspectives. Both approaches are primarily applied during the planning phase of TRAQUA to inform decisions with arguments from both fields, but they also run horizontally throughout the entire development process so that
Ethical and Deontological Concerns
Introduction
From an ethical perspective, smart hydration products can promote healthier lifestyles and more sustainable consumption. By tracking hydration and increasing confidence in tap water quality, users may change their behavior and reduce the purchase of environmentally harmful single-use plastic bottles. Since the product is in frequent contact with the body, safety, reliability, and responsible design are essential. A product must be safe, reliable, and meet legal standards. Addressing these aspects helps create a responsible and sustainable solution.This chapter evaluates ethical considerations from the perspectives of engineering duties, environmental impact, sales and marketing ethics, and product liability.
Engineering Ethics
Engineering ethics refers to the moral responsibilities and professional standards that guide engineers in designing and developing technology. It focuses on protecting public and individual safety, acting honestly and objectively, working within one’s competence, and ensuring fairness and transparency in technical decisions and communication. Ethical engineering also includes resisting misleading marketing, avoiding conflicts of interest, and contributing to sustainable and socially beneficial innovations. Ultimately, engineering ethics ensures that technological progress serves people, society, and the environment in a responsible way.
The following section explains some of the responsibilities and duties of engineers and then applies them to our project. These duties are based, on the one hand, on the course content [40] and, on the other hand, on the German fundamental ethical principles of the engineering profession [41].
The duty to oppose unfair competition means that engineers have the responsibility to act fairly in the market and avoid misleading practices that could harm competitors or deceive customers. This includes making accurate performance claims and respecting intellectual property, such as patents and protected designs. Engineers must avoid copying patented bottle mechanisms for example the sterilization technologies from other brands. Fair competition ensures trust in engineering solutions and protects innovation. We therefore specifically sought out alternative solutions, such as a combination of various features already available on the market. Moreover, engineers and companies must communicate product capabilities realistically and responsibly, without exaggerating benefits. Especially with technologies like UV-C sterilization, it is important to explain that the system reduces microorganisms but does not necessarily remove all contaminants. For example, we cannot guarantee 100 % the destruction of microorganisms. Nor can we guarantee complete drinkability through the bottles, because the bottle does not cover comprehensive drinking water tests. This must be made clear in our communication with customers. Another issue is the recommended daily water intake, which is highly individual and depends on many factors that are not adequately addressed in the app or when setting the daily drinking goal. Transparency with customers must also be established in this regard.
This duty is similar to the duty of sobriety in advertising. It means that engineers and companies must communicate product capabilities realistically and responsibly, without exaggerating benefits. Advertising should therefore focus on evidence-based advantages, such as improved hygiene or convenience. Clear communication helps users make informed decisions and prevents false expectations that could lead to unsafe usage. Engineers should only take responsibility for tasks that match their technical expertise and time capacity. Developing smart products requires interdisciplinary knowledge, for example in electronics, informatics, design, materials science as well as in water chemistry and medicine. An engineer designing a smart bottle should therefore collaborate with electrical or biomedical specialists when integrating UV-C systems, filters, or sensor electronics. For the development of TRAQUA, this means that we must increasingly engage with fields not represented within the group, such as medicine and water chemistry. In addition to scientific papers, experts are being consulted on this matter.
Another duty is the duty of non-discrimination. Engineering solutions should be designed to be inclusive, accessible, and beneficial to a wide range of users. This includes considering different physical abilities, ages, and technological familiarity. For example, a smart bottle system could include voice control or audio feedback in the app to support visually impaired users, or simple visual indicators for elderly users. Inclusive design increases product reach and ensures that technological innovation benefits society as a whole rather than only a limited user group.
Across all these duties, user safety must remain the highest priority, especially when integrating technologies such as UV-C light and electronics into consumer products. Engineers must ensure that UV-C radiation is fully contained within the device so that no direct exposure can harm the user’s skin or eyes. Materials used in contact with water must be food-safe, non-toxic, and resistant to degradation, preventing contamination or health risks. Additionally, the product must be designed to be fully water-resistant and electrically safe, guaranteeing that under no circumstances electrical current can enter the water and injure the user.
Sales and Marketing Ethics
Sales and marketing ethics play a central role in ensuring that innovative products such as TRAQUA are introduced to the market in a responsible, transparent, and user-oriented way. At the core of this lies communication. The strengths of the bottle must be communicated clearly and honestly, without exaggeration or omission of relevant limitations. The marketing strategy should therefore be built on transparency and credibility. In line with the slogan “trust your bottle, know your bottle,” trust should not only be placed in the data provided by the bottle itself, but also in the way the product is presented and advertised. Trust in the technology as well as in the communication surrounding is inseparable.
This creates tension between the marketing aims to highlight the benefits of the product on the one the open communication about limitations. For example, the effectiveness and boundaries of UV-C cleaning must be explained realistically, without creating a false sense of complete safety. Similarly, it is essential to avoid any form of greenwashing. Sustainability claims must be substantiated, which is why the results of the Life Cycle Assessment are disclosed transparently. This includes not only positive aspects but also environmental drawbacks, such as the use of electronic components, as well as the need to replace parts like the filter, battery, or UV-C module over time. Health-related recommendations must also be communicated carefully, making it clear that they are based on general guidelines rather than medical certification.
Pricing represents another important ethical dimension. As a smart product, the bottle will be positioned at a higher price level compared to conventional reusable bottles. This raises questions of accessibility and fairness. However, the perception of price strongly depends on the point of comparison. When compared to standard reusable bottles, the product may appear expensive. In contrast, when compared to the long-term use of single-use plastic bottles, the cost can be contextualized differently. A user who switches from buying bottled water daily to using tap water with TRAQUA may reduce expenses over time. Nevertheless, it must be acknowledged that the product will not be accessible to everyone and is primarily targeted at consumers who have the financial means to invest in lifestyle-enhancing, but non-essential, products. Closely linked to pricing is the question of durability. Traditional reusable bottles often suffer from limited lifespan due to inadequate or irregular cleaning, leading to biofilm formation and eventual replacement. In the case of plastic bottles, the potential release of microplastics further complicates their long-term use. TRAQUA addresses these issues through its self-cleaning functionality and the use of an aluminium interior, which reduces both hygiene concerns and material degradation. At the same time, it must be acknowledged that durability is not only a product feature but also depends on user behaviour, particularly cleaning habits. Moreover, the integration of electronic components introduces new limitations. Batteries, sensors, and UV-C elements have finite lifespans. To address this, the product is designed as a modular three-part system that allows for the replacement of individual components without requiring the entire bottle to be discarded. This reflects an attempt to balance technological functionality with long-term sustainability.
Another important aspect of marketing ethics concerns data security and user privacy. As a smart product, TRAQUA may collect and process user-related data, such as hydration patterns or usage behaviour. Ethical marketing requires that users are clearly informed about what data is collected, how it is stored, and for what purposes it is used. Data collection should be minimized to what is strictly necessary, and users should retain control over their information. Transparent communication about data practices, combined with secure handling of personal data, is essential to maintain trust and prevent misuse. In this context, ethical responsibility extends beyond the physical product to the digital ecosystem in which it operates.
Inclusivity and accessibility must also be integrated into both communication and distribution strategies. Ethical marketing should aim to make the product understandable and usable for a diverse range of users, for example through features such as audio feedback for visually impaired individuals. At the same time, there are clear limits. The product cannot replace medical supervision for individuals with serious health conditions requiring controlled hydration. It is therefore important to clearly define the target group, which in this case consists primarily of young, active users seeking a convenient and sustainable way to manage their hydration.
From a sales perspective, combining online distribution with physical retail can improve accessibility and allow users to experience the product directly. First, the option of selling the product through online channels must be carefully evaluated. Online retail is often associated with longer transportation distances and the resulting environmental impacts. While it enables broad, even international accessibility, it also relies on a complex infrastructure of packaging, shipping, and delivery services that can gradually displace local retail structures. In addition, online shopping may encourage less conscious consumption behaviour, as products can be ordered quickly and are often returned, leading to additional transport emissions. Packaging is another critical issue, as it contributes negatively to the overall environmental footprint. TRAQUA addresses this by using packaging that is designed to be reusable or to have a reduced environmental impact.
Within online sales, a distinction can be made between direct sales via a dedicated website and distribution through large e-commerce platforms such as Amazon. From an ethical perspective, these channels differ significantly. Large platforms offer the advantage of reaching a wide customer base without requiring users to actively search for the product, which makes them economically attractive. However, they also contribute to market imbalances, where large corporations benefit disproportionately, potentially disadvantaging smaller businesses. Furthermore, the handling of customer data on such platforms is often not fully transparent, raising concerns about data privacy and ethical data use.
In contrast, more direct and localized sales channels can support regional businesses, reduce transportation distances, and minimize packaging requirements. This approach can foster more conscious consumption and strengthen local economies. However, it also limits accessibility, as physical retailers are not available everywhere and may not reach all potential users.
For this reason, TRAQUA follows a balanced distribution strategy. The product will be available online, with a preference for direct sales through dedicated websites rather than relying heavily on large e-commerce platforms. At the same time, TRAQUA will be offered through selected retail partners, particularly premium and sports-oriented stores. This combined approach aims to balance accessibility, environmental responsibility, and ethical considerations in both sales and distribution.
The brand itself must also be protected. It is therefore important not to copy brand names or logos from other companies. For example, there is already a company called TRAQUA. It operates in the fields of hydrology and hydrogeology in Belgium. Since both its area of expertise and its logo and slogan differ completely from the branding concept for the smart water bottle, this does not constitute an infringing encroachment on the market.
Environmental Ethics
Environmental ethics in product development focus on minimizing ecological impact while encouraging more sustainable user behavior. As already mentioned in the section on engineering ethics, durability is an important aspect. Ensuring a battery with sufficient energy capacity and long lifecycle also contributes to sustainability by lowering the frequency of replacements and reducing electronic waste.
Material selection plays an important role. Aluminium as a primary structural material it is highly durable and fully recyclable. In addition, the design should enable easy replacement of wear components, such as filters that require regular exchange. A modular construction allows users to replace individual parts instead of discarding the entire product, further extending product lifespan and reducing waste.
Environmental impact is also reduced through local manufacturing and local marketing strategies, which help minimize transportation distances and associated carbon emissions. By strengthening regional supply chains and distribution channels, companies can lower their overall environmental footprint.
Finally, smart hydration products are contribute to broader behavioral change. By addressing common drawbacks of conventional reusable bottles, such as uncertainty about tap water quality and rapid microbial contamination, they can encourage more people to switch away from single-use plastic bottles. This shift supports waste reduction and promotes more sustainable consumption habits, demonstrating how environmentally responsible design can influence both product performance and long-term user behavior.
Liability
To ensure safe use and minimize legal risks, smart water products must follow strict safety, transparency, and regulatory principles throughout design, communication, and operation.
Electrical & Water Safety
- Fully water resistant design to prevent any contact between electricity and drinking water
- Fail-safe engineering: even if the device is damaged or malfunctions, users must not be harmed
- Compliance with electrical safety standards, compliance with low voltage standards [42]
- Compliance with electromagnetic compatibility (EMC) standards to prevent interference or unsafe operation [43]
- Compliance with low voltage standards [44]
UV-C Radiation Safety
- UV-C light must be fully contained inside the device [(EUa2017)] [(EUb2017)]
- Protection mechanisms must prevent any risk of skin or eye exposure
- Material & Food Safety
- Use of food-safe [45] non-toxic, corrosion-resistant materials
- Long-term material durability and hygiene stability
Battery Safety
- Reliable battery with stable energy capacity
- Protection against overheating, leakage, or short circuits
- Safe integration in wet environments
- Avoid overheating the battery components
Performance Transparency
- Only claims regarding realistic cleaning results or realistic measurement accuracy
- Clear communication of technical limitations
- Step-by-step instructions for safe use and maintenance
- Clear information about filter replacement and cleaning cycles
- Transparent communication to build customer trust
Data Security
- Secure handling of hydration or usage data
- Encrypted communication and responsible storage
- Transparent privacy policies for users
Summary
Based on this ethical and deontological analysis, the team chose to integrate features that improve user safety, promote healthier hydration habits, and reduce environmental impact. Ethical considerations included ensuring safe contact with drinking water, preventing UV-C exposure and electrical risks, using food-safe and durable materials, and encouraging sustainable behavior by reducing dependence on single-use plastic bottles. Additionally, inclusivity and transparency were important factors, aiming to support a wide range of users and provide trustworthy information about product performance.
Consequently, the team decided to design a solution with a user-safe UV-C hygiene support, hydration and volume tracking, modular and replaceable components such as filters, durable recyclable materials, and clear user guidance through digital feedback or app connectivity. These features were added to create a product that is safe, reliable, environmentally responsible, and ethically aligned with long-term user well-being and sustainable consumption.
Project Development
Introduction
This chapter outlines the project's evolution, beginning with the initial ideation phase for both the team and the product. After establishing the core concept, including its physical structure, smart systems, and packaging, the focus shifts to the prototyping stage. Here, we detail the key hardware and software adjustments made to the original design, concluding with an analysis of the test results and final performance.
Ideation
The first Ideation of the team idea can be found on Figure 22
Here the team already had the idea of keeping the components on the bottom of the bottle, but a more square bottle was kept in mind with a handle that would be comfortable for the user's hand.
The second ideation of TRAQUA already has a more “classic” bottle shape 23.
For the third design, the team tried to come up with a concept that would either easy fold or just fit inside a backpack very easily. This was quite hard to accomplish, not because of the design but more in terms of the electronic components. It would be very hard to put them into the bottle if the bottle were shaped like in FIGURE 24.
Flyers
The team also had a few changes in their flyer before coming up with the definite solution. Below we will explore the different flyers the TRAQUA design team came up with.
The team's first flyer had no QR code; the text idea was already there, but the text just lies in boxes that feel out of place alongside the TRAQUA water bottle 25.
Choice of the subject
Immediately following the initial presentation, the group gathered to evaluate the proposed project tracks and reach a consensus. Our approach was rooted in an open brainstorming session where we weighed our individual strengths against the potential of each topic. It quickly became clear that the “Smartification of Objects” was the path that generated the most genuine enthusiasm among us.
More specifically, we decided to focus on a smart water bottle. This choice wasn't just based on personal interest; after conducting a preliminary market analysis, we identified a significant gap in the current landscape. We felt we could differentiate our product by consolidating multiple features and services into a single, cohesive solution. This sense of opportunity, combined with the fact that every team member felt comfortable and motivated by the technical challenges involved, made the smart bottle the definitive choice for our project.
Brainstorming
Once we settled on the smartification of objects, specifically the smart water bottle, the team held its first dedicated brainstorming session. Because the potential features for a “smart” container are so vast, we needed a way to filter the noise and focus on what actually added value. We turned to Miro to map out these early thoughts, using the boards shown to organize our ideas into functional clusters. This collaborative space was essential not just for tracking our suggestions, but for refining a set of concepts that eventually became the foundation of our final proposal. Figure 26 represents one of the brainstorming activities we did in Miro.
Design Thinking
Figures 27, 28 and 29 showcase the result of the initial brainstorming sessions conducted as part of the Design Thinking process.
Concept
The primary function of the smart bottle is to encourage consistent and healthy water consumption while, in the meantime, eliminating the hygiene concerns commonly associated with reusable water bottles. To achieve this, the bottle integrates five core features into a single device
First, a built-in UV-C sterilization module automatically disinfects the water and the interior surface of the bottle at regular intervals, removing the need for frequent manual cleaning and reducing bacterial buildup. Second, a temperature sensor continuously monitors the drink's temperature and makes this data available to the user in real time. Third, a hydration tracking system records water intake throughout the day and sends customizable reminders when the user falls behind their hydration goal.
All sensor data is transmitted via Bluetooth to a companion mobile application that serves as the central interface for the end user. The app displays all key aspects mentioned above. . This ensures that the user remains actively involved in managing their hydration while the bottle handles the more technical tasks autonomously.
The bottle will be prices at approximately 330 €. For mass production the team could look to reduce the production price up to 100 € per bottle. Meaning the end price of the bottle would be around 250 €.
Design
MATERIAL SELECTION : “The materials for each component of the smart water bottle were selected based on both functional requirements and aesthetic considerations, ensuring a balance between performance and visual appeal. Polypropylene (PP) is used for the cap due to its durability and ability to withstand repeated use, while also providing a clean and smooth finish that contributes to a modern appearance. The bottle body is made from polished aluminum, chosen not only for its lightweight structure and corrosion resistance, but also for its sleek, reflective surface, which enhances the overall aesthetic and gives the product a premium look. For the compartment containing the electronic components, a plastic material such as polycarbonate is used. This ensures proper electrical insulation and waterproof protection, while also allowing for a precise and refined design that integrates seamlessly with the rest of the bottle. Overall, the combination of these materials supports a design that is durable, safe, and visually appealing for everyday use.”
Structure
Figure 30 illustrates the initial structural draft of the product concept. The sketches explore the basic 3-piece concept.
The design contains the main body, which serves as the holder for the water. The top, a removable cap. The cap design also ensures the product can be safely transported without leakage or contamination. A filter integrated at the nozzle is proposed, indicating that the product may be used for dispensing liquids while controlling flow or removing particles.
Last, the bottom part that holds all the components.
The sketch also demonstrated how the different parts are assembled together, showing connection points and structural alignments.
Overall, these drafts focus on defining the product’s core structure, usability, and functional components before moving into more detailed design stages.
To ensure a coherent and professional presentation of the project, a visual identity was established for TRAQUA. This identity provides consistency across all project deliverables, including the report, presentation, and prototype interfaces.
Logo: The TRAQUA logo combines a water droplet icon with the project name, reflecting the system's core focus on water quality monitoring.
Tagline: “Know your water, trust your bottle.” — summarizing the project's goal of giving users reliable, real-time insight into their water quality.
Color Palette (Monochrome): Three colors form the visual foundation:
#6377BD— primary dark blue, used for headings and key UI elements#D0E3FF— light blue, used for backgrounds and secondary elements#FFF9F0— off-white, used for neutral backgrounds and contrast
Typography: The project uses the Big Shoulders font family, chosen for its clean, technical aesthetic that aligns with the engineering nature of the product.
(iv) 3D model with load and stress analysis; (v) colour palette.
Smart System
Hardware
Figure 40 This is a system architecture/block diagram for a smart water bottle. At the core is an ESP32 DEVKIT V1 microcontroller that connects to several peripherals: an LED light, accelerometer (LIS3DHTR), TDS sensor (SEN0244), UV-C light, and a pressure sensor (FSR406) with a capacitor. Power is supplied by a battery through a charging circuit. The ESP32 communicates with a mobile application over BLE (encrypted + bonded) using notify/read/write operations. The legend color-codes the lines: red for energy, green for information, and blue for water-related connections.
Figure 41 presents the initial electronic system architecture of the smart bottle prototype. The diagram outlines the integration of the main components and their interactions, serving as a first iteration of the system design. At the core of the system is the ESP32 microcontroller, which manages data processing and communication between all connected components. Several sensors are included to support the intended functionality of the product. A TDS sensor is used to measure water quality, while a temperature and humidity sensor (DHT11) monitors environmental conditions. Additionally, a motion sensor and a force-sensitive resistor (FSR) are incorporated to detect user interaction and usage patterns.
The system also includes a UV-C light module, controlled via a transistor circuit, which is intended for sterilization purposes. A display module (SSD1306) is connected via I²C to provide real-time feedback to the user.
Power is supplied through a battery management system (BMS) connected to multiple lithium-ion cells. Voltage regulation is handled by a boost converter and linear regulator to provide stable 5V and 3.3V outputs required by different components. A USB-C interface is included for charging.
It is important to note that this design represents an initial draft, created to explore component selection and system integration. Certain aspects, such as power efficiency, component optimization, and circuit simplification, will be revised in later iterations.
To ensure the system operates reliably, a power budget was established for all electronic components. The table below outlines the voltage, normal and maximum current draw, and resulting power consumption for each component 42.
Software
The following sub chapter will introduce and explain the reason why TRAQUA decided to program the application system the way it is, talk about its components and the tools used to do it.
Figure 43 we can see an easy entry flow of how the application works. The application was made with one key concept in mind. Keep most of the “important” values one click away. With that mindset in mind. The application works in the following way. If the users log in for the first time, they enter their height and weight. This will help us determine how much water that person needs to intake per day. Then with 1 click that person can see the water purity and his or her total water intake. He can also start the cleaning process from the app by clicking on the navigation menu on the bottom of the app.
Figure 44 This is a Level 1 Data Flow Diagram (DFD) for a hydration tracking system. It shows an external entity (Water bottle) sending raw readings to a Sensors process (1.0), which passes data to a Process Data process (1.5). That process sends processed data to a Data store, which feeds into a Display on app process (2.0) that delivers hydration info to the User external entity. There's also a legend in the bottom-left defining the DFD notation (rectangles for external entities, circles for processes, open rectangles for data stores).
Software choices
The system consists of four main components. A mobile application, a web application a backend service and an embedded device based on ESP32
- Mobile Application
The application was developed using EXPO Go, a framework built on top of React Native. The choice was made due to its rapid development capacity, its cross-platform support (iOS and Android), its ease of testing without the requirement of complex native configuration, and the fewer risks of vulnerabilities that React has. Expo Go also enables efficient prototyping and provides access to device features such as Bluetooth, which is essential for communicating with the ESP32.
- Web application
Link to website: https://alvesbernardo.github.io/TRAQUA/
The shop of TRAQUA. This was done using SVELTE. SVELETE was chosen because of its lightweight nature, fast performance, and simple reactive model. Unlike traditional frameworks, Svelte compiles components at build time, resulting in highly optimized and efficient code
Figure 45, Figure 46, Figure 47, Figure 48, Figure 49 are screenshots of the website
- Backend
The backend is planned to be developed using Python in combination with FASTAPI. Due to its simplicity, readability and extensive ecosystem. The backend is responsible for handling business logic, data storage, and communication between the web application and other system components.
- ESP32 The system uses an ESP32 microcontroller, which is well-suited for IoT applications due to its low cost, built-in Wi-Fi and Bluetooth capabilities, and sufficient processing power. The ESP32 is responsible for interacting with hardware components and executing real-time tasks while communicating with the mobile application.
- Communication Communication between the mobile application and the ESP32 is established using Bluetooth Low Energy (BLE). BLE was selected because it is energy-efficient, widely supported, and ideal for short-range communication between devices
- Security Considerations
Security is an important aspect of the system, particularly in Bluetooth communication. To ensure secure data exchange, several measures are implemented:
Secure pairing and bonding between devices Encryption of Bluetooth communication to prevent interception Authentication mechanisms to restrict unauthorized access Input validation across all components (mobile app, backend, and ESP32)
Additionally, secure development practices are followed in both the frontend and backend to minimize potential vulnerabilities.
Comparing Mobile framework
| Criteria | Expo Go (React Native) | Flutter | Native (Swift/Kotlin) |
|---|---|---|---|
| Cross-platform | iOS + Android from one codebase | iOS + Android from one codebase | Separate codebases needed |
| BLE Support | Yes (expo-ble / react-native-ble-plx) | Yes (flutter_blue) | Full native BLE APIs |
| Development Speed | Fast — hot reload, JS/TS | Fast — hot reload, Dart | Slower — two separate apps |
| Testing/Prototyping | Very easy — scan QR to test | Requires emulator or device build | Requires full build per platform |
| Community/Ecosystem | Large (React/JS ecosystem) | Growing rapidly | Mature but platform-specific |
| Learning Curve | Low (JS/TS knowledge) | Medium (Dart) | High (two languages) |
| Chosen | Yes | No | No |
Web Framework
| Criteria | Svelte | React | Vue |
|---|---|---|---|
| Bundle Size | Very small (compile-time) | Larger (virtual DOM runtime) | Medium |
| Performance | High — no virtual DOM overhead | Good — virtual DOM diffing | Good |
| Learning Curve | Low — simple reactive model | Medium — JSX, hooks, state mgmt | Low-Medium |
| Build Output | Highly optimized vanilla JS | Requires runtime library | Requires runtime library |
| Community | Smaller but growing | Largest | Large |
| Chosen | Yes | No | No |
Backend Framework
| Criteria | FastAPI (Python) | Django (Python) | Express (Node.js) |
|---|---|---|---|
| Performance | High — async, built on Starlette | Moderate — synchronous by default | High — async, event-driven |
| API Development | Built for APIs — auto Swagger docs | Heavier (DRF needed) | Flexible but manual setup |
| Learning Curve | Low | Medium (opinionated, ORM, admin) | Low |
| Data Validation | Built-in (Pydantic) | Manual or via serializers | Manual or via libraries |
| Ecosystem | Growing | Very mature | Very large (JS ecosystem) |
| Chosen | Yes | No | No |
Microcontroller
| Criteria | ESP32 | Arduino Uno | Raspberry Pi Pico |
|---|---|---|---|
| Wi-Fi | Built-in | No (shield needed) | Pico W only |
| Bluetooth/BLE | Built-in | No (module needed) | Pico W has BLE |
| Processing Power | Dual-core 240 MHz | Single-core 16 MHz | Dual-core 133 MHz |
| Cost | Low (~5-8 €) | Low (~5 €) | Low (~4-6 €) |
| GPIO Pins | 34 | 14 digital, 6 analog | 26 |
| IoT Suitability | Excellent — designed for IoT | Limited — no wireless | Good but less mature |
| Chosen | Yes | No | No |
Below you can find a detailed use case explanation of how the user interacts with the system. Our user being the actor in this case. Figure 50 …
Packaging
Present and explain the: (i) initial packaging drafts; (ii) detailed drawings; (iii) 3D model with load and stress analysis, if applicable.
Prototype
For the prototype, we use a rigid plastic bottle as the main structure. This material is easy to obtain, lightweight, and resistant, making it suitable for testing our concept. Inside the bottle, we add aluminum foil sheets. The aluminum acts as a reflective surface, allowing the UV-C light emitted by the LED to be reflected throughout the interior of the bottle. This improves the distribution of the light and increases the efficiency of the water disinfection process. We also include a plastic separator at the bottom of the bottle to protect the electronic components. This separator isolates the battery, sensors, and LED from direct contact with the water, ensuring safety and proper functioning during testing. This simple prototype allows us to validate the concept and test the performance of the UV-C cleaning system before developing the final product.
Refer main changes in relation to the designed solution.
Structure
Detail and explain any changes made in relation to the designed solution, including structural downscaling, different materials, parts, etc.
Hardware
Detail and explain any change made in relation to the designed solution. In case there are changes regarding the hardware, present the detailed schematics of the prototype.
Software
Detail and explain any changes made in relation to the designed solution, including different software components, tools, platforms, etc.
The code developed for the prototype (smart device and apps) is described here using code flowcharts.
Tests & Results
Hardware tests
Perform the hardware tests specified in Tests. These results are usually presented in the form of tables with two columns: Functionality and Test Result (Pass/Fail).
Software tests
Software tests comprise: (i) functional tests regarding the identified use cases / user stories; (ii) performance tests regarding exchanged data volume, load and runtime (these tests are usually repeated 10 times to determine the average and standard deviation results); (iii) usability tests according to the System Usability Scale.
Summary
Provide here the conclusions of this chapter and make the bridge to the next chapter.
Conclusions
Achievements
Discuss here what was achieved (wrt the initial objectives) and what is missing (wrt the initial objectives) of the project.
Limitations
Identify here the limitations of the solution and prototype.
Future Development
Provide here your recommendations for future work.
Acknowledgements
Bibliography
Will be added automatically by citing, in the body of the report, entries specified in BibTeX format and stored in the https://www.eps2026-wiki3.dee.isep.ipp.pt/doku.php?id=refnotes:bib file
PS - If you have doubts on how to make citations, create captions, insert formulas, etc. visit this page with examples and select “Show pagesource” to see the source code.


























































